Share on (62068644671):
200A Electric Contactor DC Relay for EV Charging
Product features:
1.Controllable DC high current high voltage
2.Compact structure, low working noise
3.High safety
4.Contact reliability is high
5.No special requirement for installation
6.Use diversity
Product Characteristics:
1,High current and voltage controlling
This product is sealed with epoxy resin and filled with inert gas in the contact chamber. Combined with magnetic quenching, it is subjected to high current and high voltage.
2,Compact structure & low noise
The shape is small because of using an arc-free gap structure that does not allow the arc to leak.
The structure in which the contacts are sealed in the inert gas compartment.Efficient and safe shut-off is ensured even if the contact gap is small.
Low noise at work, as well as switching high currents.
3,Excellent safety performance
The contact is sealed in the sealed compartment,thus arc can't be released which ensuring good safety of the product.
4,Excellent reliability
Sealed with inert gas,the contact resistance remains stable regardless of the environment. It is also dustproof and waterproof .
5,No special requirement for installation.
The moving part is light,but with huge counter-force.Barely affect by gravity. So there is no special requirement for installation position.
6,Multifunctional purposes
Application includes:battery switch, backup equipment, DC voltage power controlling and circuit safety protection device etc.,
7,Conforms with EU RoHS Instruction (2002/95/EC)





Charging Pile Device Control 200A DC Contactor Relay High Voltage 250Vdc-900Vdc
Working voltage range at 20℃ | Pull in Voltage at 20℃ | Sustaining voltage at 20℃ | Release voltage at 20℃ | Maximum start up current [rated voltage] at 20℃ | Rated coil resistance [±5%]at20℃ | Average holding current at 20℃ | Energy-saving circuit board | Coil polarity |
12-36Vdc | 9Vdc Max. | 7.5Vdc Min. | 6Vdc Min.. | 3.8A | 3.14Ω | 0.13A (at 12Vdc) 0.07A (at 24Vdc) | √ | √ |
48-72Vdc | 32Vdc Max. | 22Vdc Min | 18Vdc Min. | 1.3A | 40Ω | 0.03A (at 48Vdc) | √ | √ |
2.Functional Parameters | ||||||
Types | Name | Contactor | ||||
Type of main contactor system | Bridge-form operation(SPST-NO-DM) | |||||
Current type | (DC) | |||||
Media type when cutting-off | Inactive gas | |||||
Operation method | Power-driven | |||||
Rating operation system | Uninterrupted | |||||
Rated value and limited value on main contactor | Contact polarity | With polar | √ | |||
Without polar | √ | |||||
Rated operation voltage (Ue) | 12-900Vdc | |||||
Rated operation current | 200A (▲2) | |||||
Rating short-time tolerance current and duration time | 300A 900ec. | |||||
Maximum cutiting-off voltage( one-time permitted) | 400A 200Vdc | |||||
Connecting resistance on contactor(initial ) | 1mΩ Max.(at 1A) | |||||
operating time(at 20℃) | 25ms Max.(▲3) | |||||
Bounce time(at 20℃) | 7ms Max.(▲3) | |||||
Release time(at 20℃) | 12ms Max.(▲4) | |||||
Operation life time | Machinery life time | 1×10^5(▲5) | ||||
Electricity life time(▲2,▲4) | With polar | See graph-1 | ||||
Without polar | See graph-2 | |||||
Dielectric function parameter | Insulation resistance | Initial stage:100MΩ Min.(▲1) | ||||
Rated impulse withstand voltage(initial) | Main contact | AC 2500 Vrms/1mA/1min.(latitude) | ||||
Main contactor and coil interface | AC 2500 Vrms/1mA/1min.(latitude) | |||||
Machinery function | Impulse | 20Gpeak value,11ms 1/2sinusoid(coil power setup) | ||||
Vibration | 20Gpeak value,80~2,000Hz,sinusoid | |||||
Coil parameter | Rated operation voltage scope | 12Vdc,24Vdc | ||||
Coil polar | √ | |||||
Power-saving circuit board | √ | |||||
Assistant contactor(▲6) | √ | |||||
Environmental parameter | Use and storage the environmental temperature scope | -40℃~+85℃ | ||||
Use and storage the environmental humidity scope | 5%~95% RH. | |||||
weight | 430±5g | |||||
Safety rules and quality management system | CE,CCC | |||||
▲1:measure the voltageDC500V,the testing position is as same as dielectric withstanding voltage
▲2:loading category:DC-1,L/R millisecond
▲3:enforce the rated operation voltage on coil, involves the contactor will bounce.
▲4:enforce the rated operation voltage on coil, without diode.
▲5:rated controlling capacity, transforming frequency, connceting and cutting-off ,ON : OFF=0.5second: 0.5second
▲6:assistant contactor parameter:2A@30VDC/3A@125VAC,600Vac 50/60Hz 1min
3.Reference data

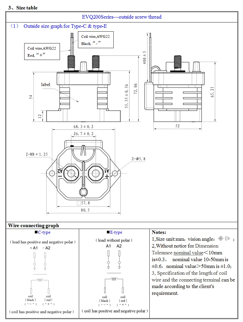
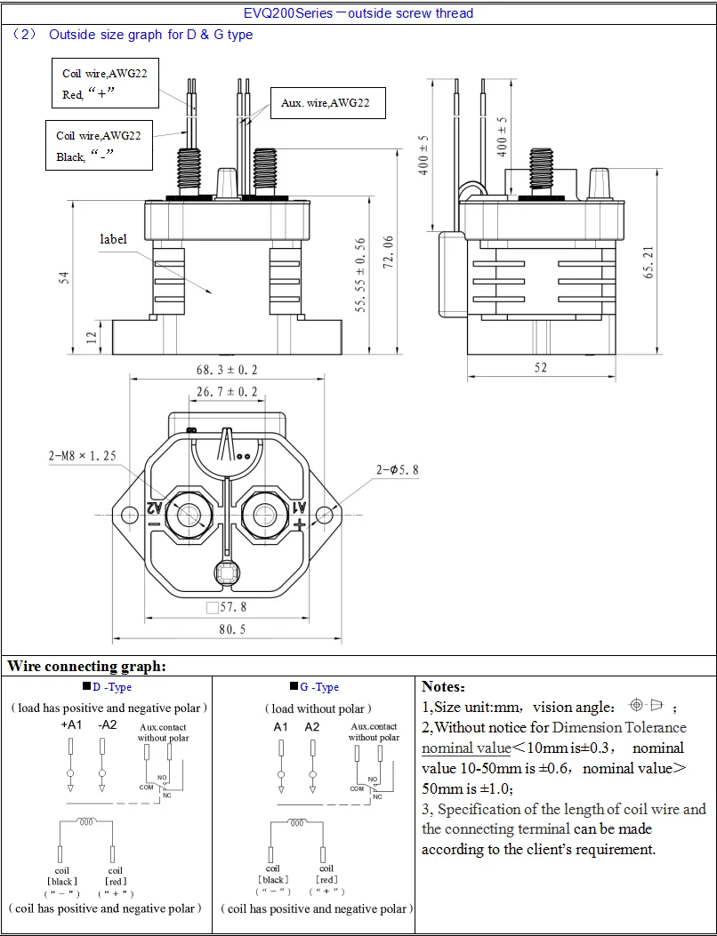
4.Size table


5.Installation size




















A: We are factory.
A: Generally it is 3-10 days if the goods are in stock. or it is 15-20 days if the goods are not in stock, it is according to quantity.
A: Yes, we could offer the sample for free charge but do not pay the cost of freight.
A: Payment<=1000USD, 100% in advance. Payment>=1000USD, 30% T/T in advance ,balance before shippment.
If you have another question, pls feel free to contact us as below:
Name: Kim Zheng
Email: kimzheng @sz-kyxny.com
Whatsapp:+8613519821890
Webchat:+861351981890
Skype:kim031537
New products from manufacturers at wholesale prices