Share on (62079912082):



1. Introduction
RJ-3PHSP-IV is an embedded design relay protection product. It has multiple protection functions, such as anti-phase, lack-phase, under-voltage, three-phase voltage unbalance. It not only plays a protective role in the process of starting the machine, but also protects the machine in the process of running. It is a real-time protection product. It is the right product which is a versatile and applicable to all of the three-phase power supply.
RJ -3PHSP-IV is a compact size, light weight, cost effective phase sequence protector with conformal coating make it capable to resist extreme weather and survive in harsh environment, this makes it be a cost effective solution with high reliability and stability.
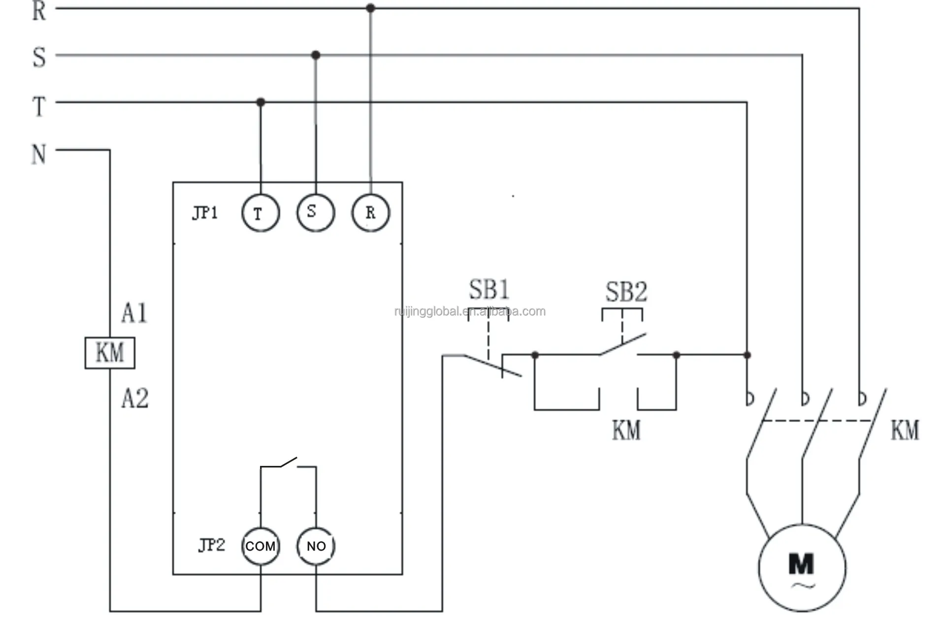
2. Wiring Instruction
RJ -3PHSP-IV is wired by the use of #250 terminals.
3. Electrical specifications
\tWorking voltage range: within 460v
\tDetection voltage: three phase 380v
\tUnder-voltage 1: 305V~265V
\tUnder-voltage 2: <265V
\tUnbalance voltage 1: 48V~75V
\tUnbalance voltage 2: >75V
\tPhase sequence detection: anti-phase, lack-phase
\tWorking temperature range: -20 to 65 ℃
\tWorking current: <20mA
\tVoltage fast protection delay: 2.5S
\tVoltage slow protection delay: 30S
\tPhase sequence failure protection delay: 0.5S
\tVoltage recovery delay: 1S
\tPhase sequence recovery delay: 1S
4. Mechanical structure
\tDimension: 65 mm × 60mm × 17mm (L×W×H)
\tSurface treatment: double-sided conformal coating
\tWeight: 35g
5. Protection functions
a) Anti-phase protection
\tWhen the phase sequence is anti-phase, fault indication lamp 1 will light up, the relay will disconnect.
b) Lack-phase protection
\tWhen the phase sequence is lack-phase, fault indication lamp 1 will light up, the relay will disconnect.
\tSuppose lacking phase during normal operation, the relay will release after 0.5s delay, fault indication lamp 1 will fast flash (12.5Hz) during the course of 0.5s delay, and then the fault indication lamp 1 lights up when entering the lack-phase protection state.
\tAfter the recovery of lack-phase, the relay will connect after 1s delay, fault indication lamp 1 will slow flash (3Hz) during the course of 1s delay.
c) Under-voltage protection
\tWhen the voltage is higher than 305V, the relay does not operate.
\tWhen the voltage is 265V~305V, the relay will release after 30s delay, fault indication lamp 2 will middling flash (6.3Hz) during the course of 30s delay, and then the fault indication lamp 2 will light up when entering the under-voltage protection state.
\tWhen the voltage is lower than 265V, the relay will release after 2.5s delay, fault indication lamp 2 will fast flash (12.5Hz) during the course of 2.5s delay, and then the fault indication lamp 2 will light up when entering the under-voltage protection state.
\tAfter the recovery of under-voltage, the relay will connect after 1s delay, fault indication lamp 2 will slow flash (3Hz) during the course of 1s delay.
d) Three-phase voltage unbalance protection
\tWhen the three-phase voltage unbalance difference is lower than 48V, the relay does not operate.
\tWhen the three-phase voltage unbalance difference is 48V~75V, the relay will release after 30s delay, fault indication lamp 2 will middling flash (6.3Hz) during the course of 30s delay, and then the fault indication lamp 2 will light up when entering the three-phase voltage unbalance protection state.
\tWhen three-phase voltage unbalance difference is higher than 75V, the relay will release after 2.5s delay, fault indication lamp 2 will fast flash (12.5Hz) during the course of 2.5s delay, and then the fault indication lamp 2 will light up when entering the three-phase voltage unbalance protection state.
\tAfter the recovery of three-phase voltage unbalance, the relay will connect after 1s delay, fault indication lamp 2 will slow flash (3Hz) during the course of 1s delay.
6. Indication lamp status
a) Fault indication lamp 1 (Red)
\tThis lamp 1 indicates anti-phase and lack-phase, when the lamp is on indicates it is in the protection state, and when the lamp fast flash indicates it will be about to enter the protection state after 0.5s delay, and when the lamp slow flash indicates it will be about to exit the protection state after 1s delay,
b) Fault indication lamp 2 (Red)
\tThis lamp 2 indicates under-voltage and three-phase voltage unbalance, when the lamp is on indicates it is in the protection state.
\tWhen the lamp fast flash indicates it is in depth of under-voltage or unbalance, and it will be about to enter the protection state after 2.5s delay.
\tWhen the lamp middling flash indicates it is in medium of under-voltage or unbalance, and it will enter the protection state after 30s delay.
\tWhen the lamp slow flash indicates it will exit the protection state after 10s delay.
c) Normal operation indication lamp (Green)
\tDuring normal operation, when this lamp is on, it indicates both the three-phase sequence and the voltage are good.
NO terminal, conducting when the power supply is normal, and disconnecting when power-off;
NC terminal, conducting during protection and conducting when power-off.
Zhuhai Ruijing Electronic Technological Co., Ltd. is located in the beautiful coastal city of Zhuhai City, is a company with independent intellectual property rights, science and technology enterprise development strength and technology advantages. Since its inception, we have been focused on air conditioning and heat pump start control technology and relay protection technology, photoelectric communication technology of intelligent meter and other field research and products development, production, sales and service.
We have skilled and innovative R & D team, according to customer demands, our R & D team can develop reliable quality and advanced technology products, at the same time our R & D team can also provide high quality and efficient service. We are also actively with domestic colleges to carry out research cooperation, have obtained a number of national qualification certifications such as national high-tech enterprises, intellectual property management system, 7 software copyrights and 12 patents and so on.











1. Are you a manufacturer or a trade company?
We are a manufacturer with more than 1,000 sq.m.
2. What is your MOQ?
Any quantity is acceptable for your order. And the price is negotiable for large quantity.
3. Where is your company?
We are located in 2/F, Building 2, No.12 Futian Road, Qianshan Industrial Zone, Xiangzhou District, Zhuhai City, Guangdong, China. You are very welcome to visit our company.
4. Why should you choose us?
Reliable--we have 10 years production experience.We've served thousands of clients, and products have been sold to many countries.
Authority--We have achieved have obtained a number of national qualification certifications such as national high-tech enterprises, intellectual property management system, 7 software copyrights and 12 patents and so on.
5. What's your lead time?
For sample, 3-5 days For big order, 10-15 days
6. What's your payment term?
We accept TT and Alibaba Trade Assurance.
7. What is your after-sale service?
We offer 100% guarantee on our product and agree 1:1 replace any defective products.
New products from manufacturers at wholesale prices