Share on (62118417830):


Feature
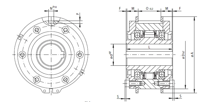
Complete Freewheels BM… X are sealed sprag freewheels with ball bearings and sprag lift-off X. They are supplied oil-filled and ready for installation. The sprag lift-off X ensures wear-free freewheeling operation when the inner ring rotates at high speed.
The freewheels BM … X are used as:
Backstops
Overrunning Clutches
for applications with high speed freewheeling operation and when used as overrunning clutch with low speed driving operation. Nominal torques up to 42.
Dimension and Capacity

Freewheel Size | Type | Nominal t orque MN Nm | Sprag lift-off at inner ring speed min-1 | Max. speeD | Bore d Standard mm mm mm | max. mm | A mm | D mm | F mm | L mm | M mm | N mm | O mm | P mm | S mm | Weight kg | |||
Inner ring freewheels/ overruns min-1 | Outer ring drives min1 | ||||||||||||||||||
BM 20 | DX | 420 | 750 | 1 700 | 300 | 30 |
|
| 30 | 121 | 105 | 0,75 | 77 | 20,25 | 8 | 35 | 4,0 | 2,5 | 3,8 |
BM 25 | DX | 700 | 700 | 1 600 | 280 | 35 | 40 |
| 40 | 144 | 125 | 0,75 | 93 | 22,25 | 10 | 47 | 5,0 | 2,5 | 6,6 |
BM 30 | DX | 1 250 | 630 | 1 600 | 252 | 45 | 50 |
| 50 | 171 | 150 | 0,75 | 102 | 24,25 | 12 | 52 | 5,0 | 4,0 | 10,3 |
BM 40 | SX | 1 900 | 430 | 1 500 | 172 | 45 | 55 | 60 | 60 | 202 | 180 | 0,75 | 116 | 25,25 | 16 | 64 | 6,0 | 6,5 | 17,4 |
BM 45 | SX | 2 300 | 400 | 1 500 | 160 | 55 | 65 | 70 | 70 | 218 | 195 | 1,25 | 130 | 24,75 | 20 | 78 | 7,5 | 8,5 | 22,4 |
BM 52 | SX | 5 600 | 320 | 1 500 | 128 | 65 | 75 | 80 | 80 | 237 | 215 | 1,75 | 150 | 33,75 | 25 | 79 | 9,0 | 8,5 | 31,1 |
BM 55 | SX | 7 700 | 320 | 1 250 | 128 | 75 | 85 | 90 | 90 | 267 | 245 | 1,75 | 170 | 35,25 | 25 | 96 | 9,0 | 6,5 | 45,6 |
BM 60 | SX | 14 500 | 250 | 1 100 | 100 | 85 | 95 | 100 | 105 | 314 | 290 | 1,75 | 206 | 40,25 | 28 | 122 | 10,0 | 6,5 | 78,2 |
BM 70 | SX | 21 000 | 240 | 1 000 | 96 | 120 |
|
| 120 | 350 | 320 | 1,25 | 215 | 44,75 | 28 | 123 | 10,0 | 9,0 | 93,4 |
BM 100 | UX | 42 500 | 210 | 750 | 84 | 150 |
|
| 150 | 450 | 410 | 3,75 | 276 | 56,25 | 36 | 156 | 12,0 | 11,5 | 198,4 |







Q: Why do we choose your company?
A: Quality is the soul of an enterprise. We can provide you with good-quality one way clutches also with good price.
Q: What is the delivery time?
A: For small quality or samll size of clutches, we can deliver upon receiving advance.
For large quantity or large size, we have to produce 10-15 working days.
Q: Can you supply with sample clutch?
Of course! We can provide with a sample to your checking quality.
Q: What is the warranty period of the clutches?
One-year Guarantee.
New products from manufacturers at wholesale prices