Share on (62128373291):
1.Screw type water chiller has compact structure and stable operation.
2.The cold quantity can be adjusted without grade, good energy saving, and less vulnerable.
3.It is suitable for the refrigeration system of high-rise buildings, hotels, hotels, hospitals,
research institutes and other large and medium-sized air-conditioners in the area of 580~1163kW.
| Model | BST-200WD |
Rated cooling capacity (50HZ) | (1954393.6 Btu/h) (492608.0 Kcal/h) (572.8 KW) |
power supply | 3P/380V/50HZ |
Compressor power | 132.60KW |
Number of compressors | 2 |
Energy regulation | 33-66-100% or no grade |
Start method | Y-∇start up |
Throttling device | External balance thermal expansion valve |
protective device | Phase loss, reverse protection, compressor overload protection, high and low pressure protection, low outlet temperature, high protection, frost protection fault protection, low water flow protection, etc. |
Refrigerant | R22/R407C |
Condenser | External thread high efficiency copper tube shell type |
Cooling water flow | 121.33m3/h |
Chilled water inlet and outlet pipe diameter | 125*2DN |
Evaporator | Internal thread high efficiency copper tube shell type |
Standard chilled water flow | 98.52m3/h |
Chilled water inlet and outlet pipe diameter | 150DN |
Unit size(L*W*H) | 3500*1530*1970MM |
Machine weight | 5200KG |
Parameters of water-cooled screw chiller.


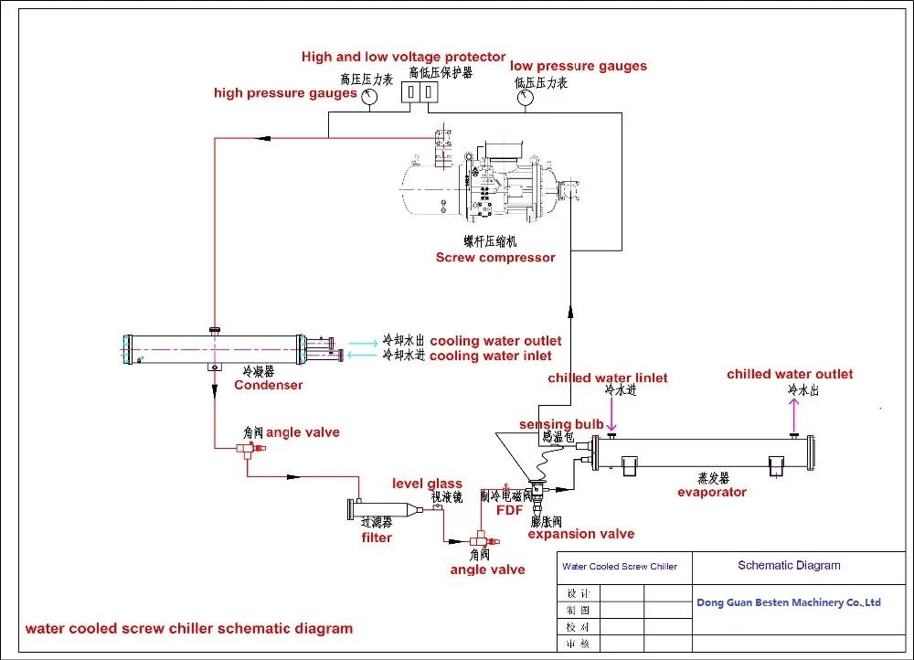
Product Schematic Diagram




------------------------------------------------------------------------------------------------------------------------------------------------------------------------------

Dongguan BESTEN Machinery Co., Ltd. The factory has 15 years experience in producing plastic equipment, which is a modern high-tech Corporation with research and development, production, sales and service.The company own 10 domestic sales staff, overseas sales staff 12, BEST Machinery accumulated 15 years of design and production of experience, and finally laid a solid foundation of quality products. BESTEN enterprising, innovative, Trustworthy won the domestic and foreign new and old customers like, making BESTEN products serve a wide range of plastics, electronics, electroplating, laser, food, textiles, chemicals, packaging, pharmaceutical and other industries.


How about the quality of your product?
-- Our products manufactured strictly according to national and international standard.
-- We have CE ,ISO certification
-- We take a test on every product before delivery.
How about price of this product?
-- We can give the lowest price than market one.
-- We do quotation as soon as possible for any customer.
-- Discount can be given according to quantity.
What is the MOQ?
-- 1 set.
If you can be custom-made?
-- We can make products according to customer's requirements.
What is the voltage?
-- 380V 50hz 3 phase or any other voltage according to client's requirement.
1.Free repair within 2 year of guarantee on the condition of operate the machine in the right way.
2. Our factory provide machine testing when customer come to our factory to see this machine.
3.We provide detail machine technical specification, electric diagram, installation book, operating manual, drawings
4.We can provide engineers to customer's factory to help installation and training workers if customer required.
5.We offer OEM.
6. Customized model.
New products from manufacturers at wholesale prices