Share on (62129434098):
DZT-4000 Core Stacking Table Technical specification
1.Summary
This equipment is mainly used in 2500 kva core transformer core stacking
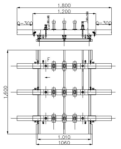
2.Reference schematic

3.Main Technical parameters and requires
3.1 Apply Core stacking range
Largest iron core 1736 * 320 * 1700 mm
Max weight of core 4000 kg
3.2 Main stacking table parameters
Platform size 1600 * 1010mm
Slide working length 1200mm (fixed)
Adjustable length two ends the 0-300 mm
Core column adjusting range A-B,B-C(Mo):160-700mm
Min.H 380mm
4. production








New products from manufacturers at wholesale prices