Share on (62133146495):


Feature
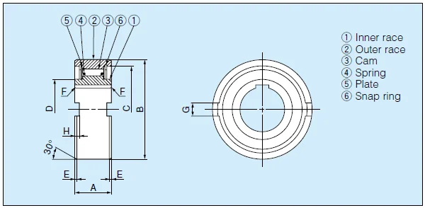
Type TFS is a roller type freewheel non bearing supported. Bearings are required to support axial and radial
loads. Lubrication and sealing must also be provided by the installation.
Nominal outer diameter is the same as a series 63. Ball bearing.
A typical arrangement is to install this type alongside a bearing within the same location tolerances, as shown
on the following page.
The inner race is keyed to the shaft. The outer race has positive n6 tolerance, to give a press fit in a H7 housing.
Additional side notches in the outer race provide for positive torque transmission. If the housing is to K6 tolerance,
use of the notches is not necessary, but The housing must be strong enough to not expand after assembly.
This design can accept an axial misalignment of inner and outer race of +/- S/2.
Including: ASNU8(NFS8 TFS8) ASNU12(NFS12 TFS12) ASNU15(NFS15 TFS15) ASNU17(NFS17 TFS17)
ASNU20(NFS20 TFS20)T ASNU25(NFS25 TFS25) ASNU30(NFS30 TFS30) ASNU35(NFS35 TFS35).
Technical Datas
| Item | TFS Series |
| Material | GCr15 |
| Bore dia. | 12-80 mm |
| Outer dia. | 35-170 mm |
| Width | 13-58 mm |
| Torque capacity | 18-3924 N.m |
| Weight | 0.068-6.44 kg |
| Package | Carton box, wooden box or as your requirements |
.
Dimensions and Capacities

Model | Torque | Max.Overrunning | Drag | Bore Size | Keyway | A | B | C | D | E | F | G | H | Weight | |
Inner Race | Outer Race | ||||||||||||||
(N·m) | (r/min) | (r/min) | (N·m) | (H7) |
|
|
|
|
|
|
|
| (g) | ||
TFS12 | 18 | 4500 | 2300 | 0.04 | 12 | 4x1.8 | 13 | 35 | 30 | 18 | 0.6 | 0.3 | 4 | 1.4 | 68 |
TFS15 | 28 | 3500 | 1800 | 0.06 | 15 | 5x1.2 | 18 | 42 | 36 | 22 | 0.8 | 0.3 | 5 | 1.8 | 120 |
TFS17 | 50 | 3200 | 1600 | 0.11 | 17 | 5x1.2 | 19 | 47 | 38 | 22 | 1.2 | 0.8 | 5 | 2.3 | 150 |
TFS20 | 84 | 2500 | 1300 | 0.18 | 20 | 6x1.6 | 21 | 52 | 45 | 27 | 1.2 | 0.8 | 6 | 2.3 | 220 |
TFS25 | 128 | 2000 | 1000 | 0.19 | 25 | 8x2.0 | 24 | 62 | 52 | 35 | 1.2 | 0.8 | 8 | 2.8 | 360 |
TFS30 | 200 | 1600 | 800 | 0.21 | 30 | 8x2.0 | 27 | 72 | 62 | 40 | 1.8 | 1.0 | 10 | 2.5 | 530 |
TFS35 | 475 | 1400 | 700 | 0.42 | 35 | 10x2.4 | 31 | 80 | 70 | 48 | 1.8 | 1.0 | 12 | 3.5 | 790 |
TFS40 | 607 | 1300 | 650 | 0.46 | 40 | 12x2.2 | 33 | 90 | 78 | 54.5 | 1.8 | 1.0 | 12 | 4.1 | 1050 |
TFS45 | 756 | 1100 | 550 | 0.56 | 45 | 14x2.1 | 36 | 100 | 85.3 | 59 | 1.8 | 1.0 | 14 | 4.6 | 1370 |
TFS50 | 1124 | 1000 | 500 | 0.60 | 50 | 14x2.1 | 40 | 110 | 92 | 65 | 1.8 | 1.0 | 14 | 5.6 | 1900 |
TFS60 | 1975 | 840 | 420 | 0.87 | 60 | 18x2.3 | 46 | 130 | 110 | 84 | 2.6 | 1.5 | 18 | 5.5 | 3110 |
TFS70 | 2514 | 750 | 380 | 0.91 | 70 | 20x2.7 | 51 | 150 | 125 | 91 | 2.6 | 1.5 | 20 | 6.9 | 4390 |
TFS80 | 3924 | 670 | 340 | 1.22 | 80 | 22x3.1 | 58 | 170 | 140 | 100 | 2.6 | 1.5 | 20 | 7.5 | 6440 |
Notes:
1. T max = 2 × T KN
2. Inner race overruns
3. Outer race overruns
Keyway to DIN 6885.1
Mounting

1. The outer race of the TFS Series Cam Clutch is designed for press fit installation to the housing. Correct
interference dimensions of the outer race must be maintained to obtain maximum clutch performance.The
internal diameter of the housing should meet the H7 tolerance. Keyways should be made in the end faces
of the clutch for proper installation. Refer to item 8 in the installation and usage of BB Series Cam Clutch for
information on the installation method. If the tolerance of the internal diameter of the housing is K6, keyways
are not required on the end faces of the clutch.
2. Make sure the housing has enough strength to withstand the pressure required for the press fitting installation
of the clutch.
3. When installing the clutch, mount it with a type 63 bearing to avoid radial force, since this clutch does not have
any bearing support.
4. The clutch should be mounted on the shaft by rotating it in the direction marked by the arrow shown on the
clutch plate.
5. The recommended shaft tolerate is h7, and the key profile should be in accordance with the following standard.
TFS 12 ······DIN 6885. 1
TFS 15 ~ 80 ······DIN 6885. 3
6. Suitable surface pressure of the key should be selected according to your company design standards.
Lubrication
1. Oil lubrication is recommended.
2. Do not use greases or lubricants with EP additives.









Q: Why do we choose your company?
A: Quality is the soul of an enterprise. We can provide you with good-quality one way clutches also with good price.
Q: What is the delivery time?
A: For small quality or samll size of clutches, we can deliver upon receiving advance.
For large quantity or large size, we have to produce 10-15 working days.
Q: Can you supply with sample clutch?
Of course! We can provide with a sample to your checking quality.
Q: What is the warranty period of the clutches?
One-year Guarantee.
New products from manufacturers at wholesale prices