Share on (62171901860):
ST Series Shuttle Valve
Specification
Model | ST-01 | ST-02 | ST-03 | ST-04 | ST-06 | ST-08 |
Joint Pipe Bore | G1/8 | G1/4 | G3/8 | G1/2 | G3/4 | G1 |
Effective Section Area | 7,5mm2 | 21mm2 | 40mm2 | 60mm2 | 110mm2 | 190mm2 |
Working Medium | Air | |||||
Working-Pressure Range | 0~1MPa | |||||
Operating Temperature Range | 0~60℃ | |||||
Ordering Code

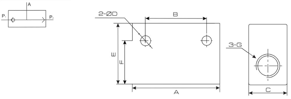
Dimension

Symbol/Model | A | B | C | D | E | F | G |
ST-01 | 40 | 24 | 16 | 4.5 | 25 | 20.5 | G1/8 |
ST-02 | 50 | 35 | 22 | 5.5 | 35 | 25 | G1/4 |
ST-03 | 75 | 48 | 30 | 7 | 50 | 42 | G3/8 |
ST-04 | 75 | 48 | 30 | 7 | 50 | 42 | G1/2 |
ST-06 | 110 | 72 | 40 | 7 | 70 | 58 | G3/4 |
ST-08 | 110 | 72 | 40 | 7 | 70 | 58 | G1 |

Best Quality & Best Service with Competitive price.
New products from manufacturers at wholesale prices