Share on (62183897296):

The HEATFLAM burner is a nozzle-mixing, medium velocity burner. It provides a stream of hot combustion gases that promote circulation within your furnace, improving both temperature uniformity and workload penetration.
The air/fuel mixing design allows for the burner to be operated on ratio throughout the firing range, with excess air up to 4700% for some sizes or with excess fuel.
Series HEATFLAM Burners are designed to operate on natural gas, propane or butane but can burn other gaseous fuels as well.
FEATURE
Exit velocities up to 275 ft/s (190 miles/h) to promote workload heat penetration and better furnace temperature uniformity
Operate on-ratio, with excess fuel or with excess air to meet the specific demands of your combustion process needs
Burns most clean, low pressure gaseous fuels or light oil
Turndown capability up to 48:1
Maximum application flexibility with 7 different sizes and maximum capacities ranging from 0.38 MBtu/h up to 8.4 MBtu/h
Lower fuel consumption using preheated combustion air (up to 800 °F) Refractory block for chamber temperatures up to 3000 °F
Removable backplate, providing access for easy inspection and/or maintenance
HEATFLAM burners can be used with oxygen enriched combustion air
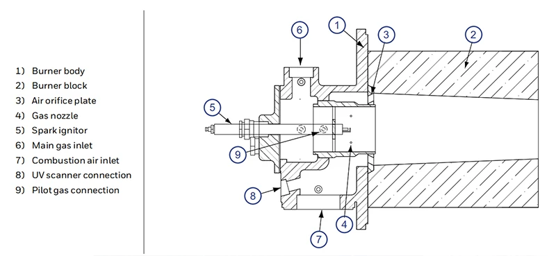
Combustion air enters the burner body and is swirled out into the burner block through the internal air orifice plate. Low pressure gas enters the burner body and exits to the block through machined ports in the gas nozzle.
The gas and air are intimately mixed in the cast burner block tunnel. The spark ignitor is positioned to intersect the fuel/air mixture directly in front of the nozzle face.
Pilot gas is introduced directly behind the gas ports in the gas nozzle and essentially flows through to the burner block through the same ports as does the main gas. The pilot capacity is the minimum firing rate of the HEATFLAM burner.
Typical burner data Fuel: natural gas with 1000’s Btu/ft³ HHV - sg = 0.6 [1] Combustion air: 60 °F - 21% O2 - 50% Humidity - sg = 1.0 [1] Stated pressures are indicative. Actual pressures are a function of air humidity, altitude, type of fuel and gas quality | |||||||||
| HEATFLAM size | Series G (gas only) | Series C (gas/oil) | |||||||
| 1.5-G | 2-G | 3-G | 4-G | 6-G | 2-C(gas) | 2-C (oil) | 6-C (gas) | 6-C (oil) | |
Turndown ratio (with 75 % excess air) | 27:1 | 50:1 | 96:1 | 133:1 | 40:1 | 28:1 | 28:1 | 16:1 | 16:1 |
Comb. air flow at max. capacity scfm | 88 | 160 | 384 | 64. | 1280 | 167 | 167 | 1470 | 1470 |
Natural gas inlet pressure “wc | 4.2 | 4.2 | 3.8 | 3.2 | 6.2 | 4.2 | 4.2 | 6.2 | 6.2 |
Comb. air pressure at inlet “wc | 26 | 26 | 26 | 26 | 26 | 26 | 26 | 26 | 26 |
Pilot capacity /min. capacity 1000’s Btu /h | 20 | 20 | 25 | 30 | 200 | 40 | 10 | 525 | 525 |
Oil inlet pressure psig | - | - | - | - | - | - | 10 | - | 13 |
APPLICATIONS
HEATFLAM burners are designed to be used in high temperature furnaces. They are commonly applied on heat treatment furnaces, oxidizers, melting furnaces, ceramic furnaces and other high temperature applications.


FAQ
Q: Are you trading company or manufacture?
A: Both.
Q: What's your product range?
A: We specialize in product solenoid valves,butterfly valves,pressure push-button valves, ignition transformer,burner controller,electric actuator, and other combustion accessories.
Q: What's your strong product?
A: Solenoid valves,butterfly valves,pressure push-button valves.
Q: Do you provide sample? Is it free or extra?
A: Yes, we could offer the sample for free charge but do not pay the cost of the freight.
Q: How long is your delivery time?
A: Generally it is 7 days if the goods are in stock, or it is 30 days if the goods are not in stock, it is according to the quantity.
Q: What is your terms of payments?
A: * Payment ≤ 10000 USD,100% T/T advance .
* Payment ≥ 10000 USD,30% T/T advance and settle the 70% balance before delivery.
New products from manufacturers at wholesale prices