Share on (62201736131):
DGR-LT-51High Precision Long Life Servo Linear Actuator Technical Data
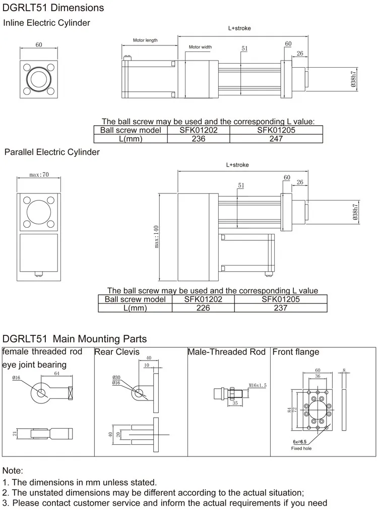
Product Series | DGRLT51 | ||
Screw lead / pitch (mm) | 2 | 5 | |
Max. Power of Motor (W) | 400 | ||
Max. Rated Thrust | 500N=112.4 lb | ||
Max. Speed | 100mm/s=3.9inch/s | 250mm/s=9.8inch/s | |
Max. stroke | 1000mm=39.4inch=3.3ft | ||
Rated Driving Torque (N.m) | 0.25 | 0.6 | |
Max. Ball Screw Diameter (mm) | 12 | 12 | |
Rated Dynamic Load of Ball Screw (kgf) | 334 | 675 | |
Axial Backlash (mm) | 0.02-0.04 | ||
Lead Error Every 300mm (mm) | 0.023 | ||
Repeatability Accuracy (mm) | 0.02 | ||
Flange Size of Optional Servo Motor Series (mm) | 60 | ||
Flange Size of Optional Stepper Motor Series (mm) | 57/ 60 | ||
Flange Size of Optional Gear Box Series (mm) | 60 | ||
Note:
1.If you need to know the ball screw life, please contact customer service for detailed consultation;
2.The max. thrust and the max. speed can not be reached at the same time. Different motor and gear boxes will be used.
3.If the Max. stroke exceeds 500mm, it is recommended to add a guiding device;
Note: If above parameters can not meet your needs, please contact us, we can customize according to your requirements with NO MOQ.






DGR-LT-51Servo Linear Actuator for 6DOF Motion Platform Features : | ||
Accuracy | High precision, repeatability up to 0.02mm. | |
Service life | Run over a distance of 100,000 km | |
Material Selection | 1.Aluminum alloy, Carbon Steel,Stainless Steel optional for cylinder body | |
2. Various surface treatment options (including: coating, azotizing, oxidation) | ||
3.Selected internationally-famous brands of motor, ball screws, bearings and gears | ||
Features | Rigid connection between the screw nut and the piston rod | |
Excellent Service | 1.DGR Electric cylinders can be fully customized for customer's particular application and requirements. | |
2. 1 year warranty and lifetime technical services | ||
Duty Cycle | The duty cycle is ensured to be greater than 50% or even 100% continuous operation. | |
Complete Testing | Professional inspection: including appearance, mechanical properties, stability, noise decibels, IP testing, etc. | |

Six degrees of freedom motion platform widely used in a variety of simulation, entertainment equipment, robotic arms, dynamic seats in movie theaters.

Multi-degree of freedom platforms can be applied to virtual reality motion seats, such as: VR gaming, racing simulator

Electric cylinder servo press is widely used in: Automotive industry: Press-fitting of engine components (cylinder heads, liners, oil seals, etc.), press-fitting of steering gear assemblies (gears, pins, etc.), press-fitting of driveshaft assemblies, press-fitting of gearbox assemblies, brake disc assemblies Press-fitting, etc.;

The motor controls the motion of each unit in the 3D robotic billboard, and constructs various static and dynamic patterns through matrix elevation changes to simulate three-dimensional topography, text patterns, wave motion, and the like. The 3D robotic billboard can also be combined with projection and digital image to realize the multimedia and digitization of the matrix, making it more ornamental and dynamic.

The electric cylinders are widely used in the automation industry, such as automation production line, steel continuous casting, material handling, injection molding machine, valve control, precision machine tools, pharmaceutical machinery, precision machining, mechanical lifting platform, food industry, etc

The solar tracking system maximizes the solar system's electricity production by moving the solar panels by electric cylinders to follow the sun throughout the day, which optimizes the angle at which your panels receive solar radiation. The electric cylinder includes: motor (DC brushless motor, stepper motor, servo motor Etc.), worm gears, push rod, sensor systems, etc.





OEM available at NO MOQ;
Customized specifications;
Additional Features applicable;
Fast reply within 12 hours, 7~15 days' delivery, high reputation in globe.


1.What is the duty cycle of your electric linear actuator?
The electric servo linear actuators or stepper motor linear actuators can work continuously.
2.What is the life time of your electric linear actuator?
The life time of our servo linear actuators can run more than 100,000km for life.
3.Are you a trading company or factory?
We are the factory specialized in electric linear actuators since the year 2014, and we have been mainly
exporting to major equipment manufacturers in Europe, North America, South America, and Southeast Asia these years.
4. What is the max thrust your electric linear actuator can provide?
The load capacity of our electric linear actuator is 0~20ton
5. I require the moving speed of electric linear actuator to be more than 1000mm/s, can you make it?
Yes, actually the speed of our electric linear actuators can reach 2000mm/s maximum.
6. What is the max. stroke of the electric linear actuator you can make?
Our current electric linear actuator can reach 2800mm in stroke, and we are developing the telescopic electric cylinders, which will reach much longer stroke.
7. Is your electric linear actuator drived by ball screw or lead screw?
Our standard electric linear actuators are drived by ball screw, because it is of higher transmission effeciency than that of lead screw.
But we can use lead screw as the drive system for the electric linear actuator as well when the customer is particularly concerned about the cost.
8. Our requirements for the elctric linear actuators are beyond your current catalog, can you support OEM and ODM ?
Yes, OEM and ODM services are available.We are able to customize exactly according to customers' requirements at NO MOQ, which means it can be customized starting from 1 piece.
9.What is your delivery time on samples and massive production ?
Normally, the sample delivery time is 7-15 days.
The massive production delivery time is 25 days.
New products from manufacturers at wholesale prices