Share on (62256643701):
Flexible Turnkey Margarine Production Line in China
OEM Astate puff margarine machinery
Raw Material: vegetable oil, animal oil, palm oil, etc.
Can produce: various bakery products and speciality fats like non-emulsified or emulsified shortenings, bakery fat, cake shortening, table margarine, cake margarine, fat spread with milk fat, fat spread without milk fat, cocoa butter substitutes, puff shortening, reconstituted butter, cream margarine, cream shortening, puff margarine etc.

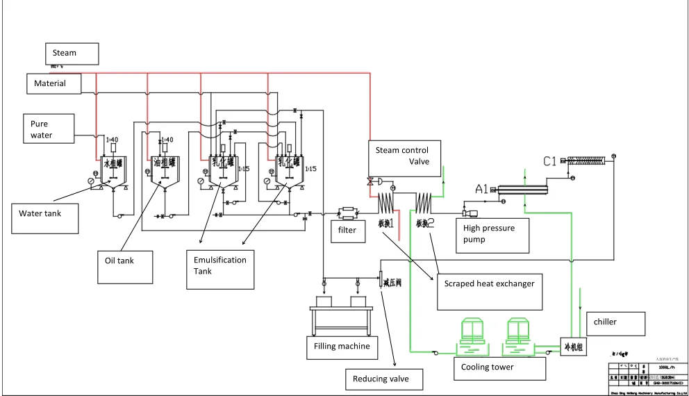
Process: Measuring---Ingredients Configuration---Filtration---Emulsification---Fast cooling---Kneading---Filling&Packaging

1.Advantages
1. provides higher transmission performance
2. uniform heat transfer
3. more economic and more efficient
4. For high temperature heating and low temperature cooling

3.Application areas:
(1) Food industry: shortening ,margarine,jam, cream, butter, butter, candles, etc.
(2) pharmaceutical industrial products: cream, syrup, lotion, antibiotics etc.
(3) Cosmetic products: cream, emulsion, perfume, etc.
(4) Chemical industrial products: chemical drugs, synthetic adhesives, etc.
(5) Dyeing industrial products: pigments, titanium oxide, etc.
(6) Printing ink: color ink, resin ink, newspaper ink, etc.


Machine/ Product Description:
This is basically Horizontal stainless steel (S.S) tube with jacket made up of metal steel (M.S). The shaft is rotate inside this tube with high revolution. In this metal tube, the ammonia is expending which give chilling effect to the stainless steel tube present inside.
The space between the shaft and tube is relatively small, the margarine emulsion is pumped down to this space. The shaft is fitted with scraper blades and the emulsion is continuously spread onto the chilled wall of inside stainless tube and scraped from it through the scraper. The scraper reduced the crystal present in the emulsion and gives foaming property to this emulsion. During this process the temperature is about 18° to 22° C and then this emulsion is transfer to next level (crystalizer).


Filling Station
Bulk box/pail filling station consists of two filling valves and two electronic weigh scales controlled by a PLC computer system. The box/pail is placed on the scale and filled with product automatically. Fill will stop when the target weigh is reached automatically. A touch screen is provided to configure the target fill, gross, tare and net.

Questions should be included in the inquiry
1, Do you need heating the material or cooling the material?
2, What's the range of temperature changing?
3, What's the medium?
4, What's the capacity of shortening and margarine production line you want ?
New products from manufacturers at wholesale prices