Share on (62292706345):

These switches are connected to the load and power supply separately; The polarity, short circuit, overload protection function and the residual current can be ignored.
The load must be connected in series in the sensor, in the closed circuit. The switching element has a smaller voltage drop.
Model
| LN8Y-Z1NK/L LN8Y-Z1NB/L | LN8Y-Z2NK/L LN8Y-Z2NB/L |
LN8Y-Z1PK/L LN8Y-Z1PB/L | LN8Y-Z2PK/L LN8Y-Z2PB/L | |
LN8Y-Z1DK/L LN8Y-Z1DB/L | LN8Y-Z2DK/L LN8Y-Z2DB/L | |
| Mounting | Shield | Non Shield |
| Max. Sensing Distance | 1.2mm ± 10% | 2mm ± 10% |
Stable Sensing Area | 0~1mm | 0~1.8mm |
| Operating Frequency | 1.5KHz | 1KHz |
| Standard Detected Object | 8 × 8 × 1mm(Iron) | |
| Supply Voltage | 10-30VDC(Ripple < 10%) | |
| Leakage Current | < 0.6mA | |
| Movement Differential | < 1.2mm × 10% | < 2mm × 10% |
| Consumption Current | 15mA | |
| Load Current | 200mA | |
| Voltage Drop | < 3V | |
| Operating Temperature | -25~+80 ℃ | |
| Impact | 50 m/s | |
| Vibration | 10-55Hz Amplitude 1MM | |
| Connection Type | Plug | |
| Housing Material | Nickel Plated Brass | |
| Sensing Surface Material | PBT | |

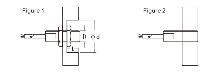
Non shielded proximity switches can achieve maximum operating distance(with the diameter of the relevant); but in order to prevent the switch around the metal impact on the switch, the sensor head must be in a certain gap with the surrounding metal(Figure 1).
Due to the special shielding effect inside the shield, the radial magnetic field of the side is reduced, and the induction distance is about 60% of the non shield type, because it can be flush mounted in the metal(Figure 2).
The magnetic sensor is not affected by the conditions of installation, as long as the material around the material is not magnetized.

In order to prevent mutual interference, we must keep the minimum distance between each other(Figure 3).


Wenzhou Lainuo Electronic Technology Co., Ltd is specializing in the production of inductive sensor, photoelectric sensor, capacitive sensor and non-standard sensor series.
The company has passed the ISO9001 international quality system certification. Main products have CCC, CE certifications.

New products from manufacturers at wholesale prices