Share on (62304825676):
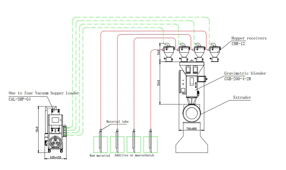
"One-to-Multi" hopper loader combines the main machine with 2 to 6 hopper receivers, saves the cost and space.


Notes:
1) Power supply: 30PH400V50Hz
2) Test condition of conveying capacity: Plastic material of bulk density 0.65, dia.3 ~ 5 mm, vertical conveying height: 4m, horizontal conveying distance: 5m.
3) CHR stands for vacuum hopperreceiver, CHR-E stands for photo-sensor hopper receiver.
4) The “*” after “G” can be numbers from 2 to 6, means the number of hopper receivers.
5)We reserve the right to change specifications without prior notice.













How can I get the right products?
We have expertise engineering team to choose the suitable machines for your unique application.
When can I get reply of my enquiry?
We have instant communication tools through alibaba, wechat or skype, and your emails will be replied within 12 hours.
What about the after-sales service?
We have after-sales team to solve any problems about machine installation, commissioning and maintenance.
What’s the warranty of your products?
We offer 15 months long warranty period starting from machine leaving factory.
What are the advantages comparing with other suppliers?
Our engineers have more than 10 years of field experiences for plastics auxiliary equipment. All our products are designed and manufactured by our own factory. We are more competitive in price and quality of the machines.
New products from manufacturers at wholesale prices