Share on (62314766483):
1. Product Name:
1.1 deck clip, wpc deck clip, composite deck clip, wood plastic composite deck clip, wood deck clip, bamboo deck clip
1.2. decking clip, wpc decking clip, composite deck clip, wood plastic composite decking clip, wood decking clip, bamboo decking clip
1.33. stainless steel clip for decking, deck clips, decking clips, montage clip,
2. Material:
201 stainless steel, 304 stainless steel, 316 stainless steel, or according to customer request.
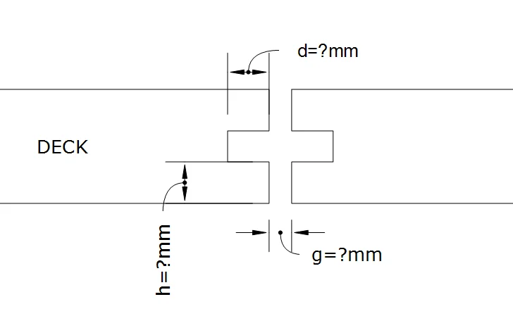
Steel board thickness: from 1mm to 2mm.
3.Materials list:

4. Choose the clip that is right for your deck:

e.g.: L clip, the clip height(H) should be lower than deck height(H). Normally 0.1-0.3mm lower than deck height. Because stainless steel board has a definite elasticity, it can hold deck tightly.
U, T type clip, when you choose clip height. Our advise is lower 0.2-1mm than deck height. If height is same or more than deck height(H), clip can’t fixed firmly.
5. Quantitative ratio between deck and clips
Usually 1m²=About 18-20 clips
6. The gap between deck
Choose the suitable clip according to different area and different climate. In order to get the best gap(G). In high temperature or humidity, the gap(G) should be bigger. Choose clips with big gap(G) . Further more, we must pay for attention to aging and rust-proof.
Stainless Steel Deck Flooring Clip for WPC Floorboard
Mostly ,different material deck use different clips. According to properties, (Water absorption expansion rate, expansion and contract property,deformation rate....), choose the best fit clips.....
New products from manufacturers at wholesale prices