High pressure valve stem packing spring seal oilfield seals
US $62.70-$62.90
Share on (62336278161):
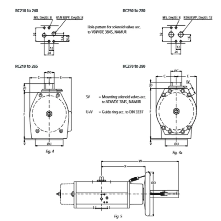
valve actuator ROTORK The RC 200 types of pneumatics rotary actuator and linear actuator controller




|

1.Swift delivery
For common parts, we can deliver the goods within 3 days
2.Original products
All the products we sell are from origin manufacturer. We will submit all the manufacturer documentation while we finish delivery.
3.Quality Assurance
4.Technical Support
Including inspection,repair and maintenance, we can give all kinds of technical support.
5.Quickly responce
Our staffs will keep 24h online and answer your question very quickly.
New products from manufacturers at wholesale prices