Share on (62368709036):
AC1000~5000 Series F.R.L,Filter,Regulator,Lubricator,air source treatment component
Specification

*5,50mm available in addition.
Graphic Symbol:

Ordering Code
Model | Specification | Accessory | |||||||
Assembly | |||||||||
Filter | Regulator | Lubricator | Rated Flow (L/min) | Port Size (G) | Pressure Gauge Size (G) | Weight (Kg) |
Bracket (2pcs) |
Pressure Gauge | |
AC1000-M5 | AF1000 | AR1000 | AL1000 | 90 | M5x0.8 | 1/16 | 0.26 | Y10L | G27-10-R1 |
AC2000-01 |
AF2000 |
AR2000 |
AL2000 |
500 | 1/8 |
1/8 |
0.74 |
Y20L |
G36-10-01 |
AC2000-02 | 1/4 | ||||||||
AC2500-02 |
AF3000 |
AR2500 |
AL3000 |
1500 | 1/4 |
1/8 |
1.04 |
Y30L | |
AC2500-03 | 3/8 | ||||||||
AC3000-02 |
AF3000 |
AR3000 |
AL3000 |
2000 | 1/4 |
1/8 |
1.18 |
Y30L | |
AC3000-03 | 3/8 | ||||||||
AC4000-03 |
AF4000 |
AR4000 |
AL4000 |
4000 | 3/8 |
1/4 |
2.14 |
Y40L |
G46-10-02 |
AC4000-04 | 1/2 | ||||||||
AC4000-06 | AF4000-06 | AR4000-06 | AL4000-06 | 4500 | 3/4 | 1/4 | 2.47 | Y50L | |
AC5000-06 |
AF5000 |
AR5000 |
AL5000 |
5000 | 3/4 |
1/4 |
3.82 |
Y60L | |
AC5000-10 | 1 | ||||||||
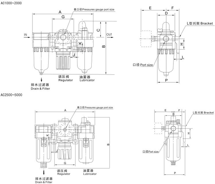
Dimension



Best Quality & Best Service with Competitive price.
New products from manufacturers at wholesale prices