Share on (62373909960):

Technical features:
HAK21 series NC turret is upgrade product of LD4B series turrets. They feature superior sealing performance, stiffness and optional built-in cooling, etc.
1. Confirm various parameters when choosing models of turret. Choose the number of stations according to quantity of part procedure and complicacy.
2. Choose tool specifications according to model of machine tool and cutting force. Choose the front type or rear type tool turret according to the cutting directions of the machine tool.
3. After the mounting of boring cutter seat of horizontal turret, Self-bore the inner hole according to the size of boring bar and make a corresponding mark. The tool should be fixed in the former position in the later mounting.
4. The distance tool reaching out of upper housing distance is usually not more than 2/3 upper housing size. Please note when placing an order,if more than the limit.
5. Touch by hand or other things is forbidden when turret is running to avoid injury or damage.
6. If customers have any special requirements or changes in parameters, please offer some data and contact with our company.
Performance Parameters
| Model/Data | Center height (mm) | Repeatability accuracy(") | Motor power (W) | Time of changing tool (s) | Max. tangential torque(N·m) |
| 90º | |||||
| HAK21162 | 70 | ±2 | 120 | 2 | 500 |
| HAK21170 | 81 | ±2 | 120 | 2 | 600 |
| HAK21180A | 110 | ±2 | 150 | 2.2 | 700 |
| HAK21192 | 110 | ±2 | 150 | 2.2 | 750 |
| HAK21200 | 120 | ±2 | 180 | 2.5 | 800 |
| HAK21240 | 120 | ±2 | 250 | 3.7 | 1200 |
| HAK21280 | 120 | ±2 | 250 | 4.1 | 1500 |
| HAK21300 | 145 | ±2 | 250 | 4.5 | 1900 |
| HAK21400 | 160 | ±2 | 8N.m | 5 | 3200 |

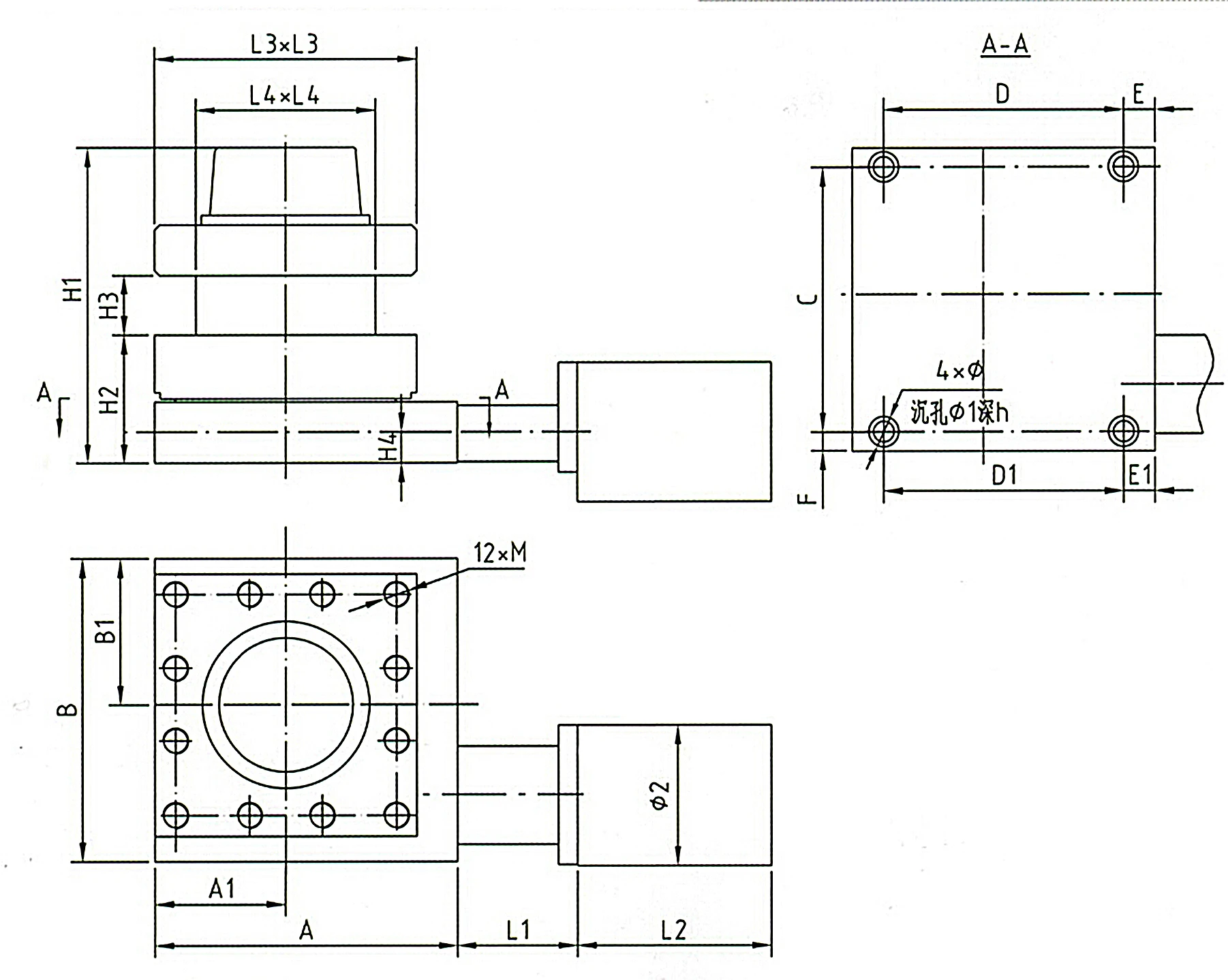
Size Parameters
| Model/Dim | H1 | H2 | H3 | H4 | L1 | L2 | L3 | L4 | A | A1 | B | B1 |
| HAK21162 | 194 | 70 | 40 | 20 | 76 | 128 | 162 | 120 | 162 | 81 | 172 | 81 |
| HAK21170 | 207 | 81 | 40 | 19 | 76 | 128 | 170 | 120 | 187 | 85 | 192 | 92 |
| HAK21180A | 241 | 110 | 45 | 26 | 76 | 128 | 180 | 124 | 180 | 90 | 192 | 90 |
| HAK21192 | 243 | 110 | 45 | 26 | 76 | 128 | 192 | 128 | 192 | 96 | 192 | 96 |
| HAK21200 | 255 | 120 | 50 | 26 | 110 | 132 | 200 | 124 | 200 | 100 | 200 | 100 |
| HAK21240 | 258 | 120 | 52 | 24 | 103 | 140 | 240 | 160 | 240 | 120 | 240 | 120 |
| HAK21280 | 270 | 120 | 60 | 25 | 103 | 140 | 280 | 184 | 280 | 140 | 280 | 140 |
| HAK21300 | 313 | 145 | 75 | 30 | 103 | 140 | 300 | 192 | 300 | 150 | 300 | 150 |
| HAK21400 | 370 | 160 | 90 | 31 | 110 | 165 | 400 | 270 | 400 | 200 | 400 | 200 |
| Model/Dim | C | D | D1 | E | E1 | F | φ | φ1 | φ2 | h | M |
| HAK21162 | 146 | 126 | 126 | 22 | 22 | 12.5 | φ13 | φ19 | φ88 | 13 | M16 |
| HAK21170 | 168 | 152 | 152 | 15 | 15 | 12 | φ13 | φ19 | φ88 | 13 | M16 |
| HAK21180A | 168 | 152 | 152 | 14 | 14 | 12 | φ13 | φ19 | φ88 | 13 | M16 |
| HAK21192 | 168 | 152 | 152 | 20 | 20 | 12 | φ13 | φ19 | φ88 | 13 | M16 |
| HAK21200 | 177 | 150 | 130 | 25 | 35 | 11.5 | φ13 | φ19 | φ98 | 13 | M16 |
| HAK21240 | 210 | 210 | 160 | 15 | 40 | 15 | φ18 | φ27 | φ98 | 17 | M16 |
| HAK21280 | 240 | 240 | 240 | 20 | 20 | 20 | φ18 | φ27 | φ98 | 17 | M16 |
| HAK21300 | 260 | 260 | 260 | 20 | 20 | 20 | φ18 | φ26 | φ98 | 17 | M16 |
| HAK21400 | 350 | 350 | 350 | 25 | 25 | 25 | φ22 | φ32 | φ120 | 22 | M20 |







4 Stations HAK21240 NC turret 4 Stations HAK21240 NC turret 4 Stations HAK21240 NC turret 4 Stations HAK21240 NC turret 4 Stations HAK21240 NC turret
New products from manufacturers at wholesale prices