Share on (62386164451):

1.Material process
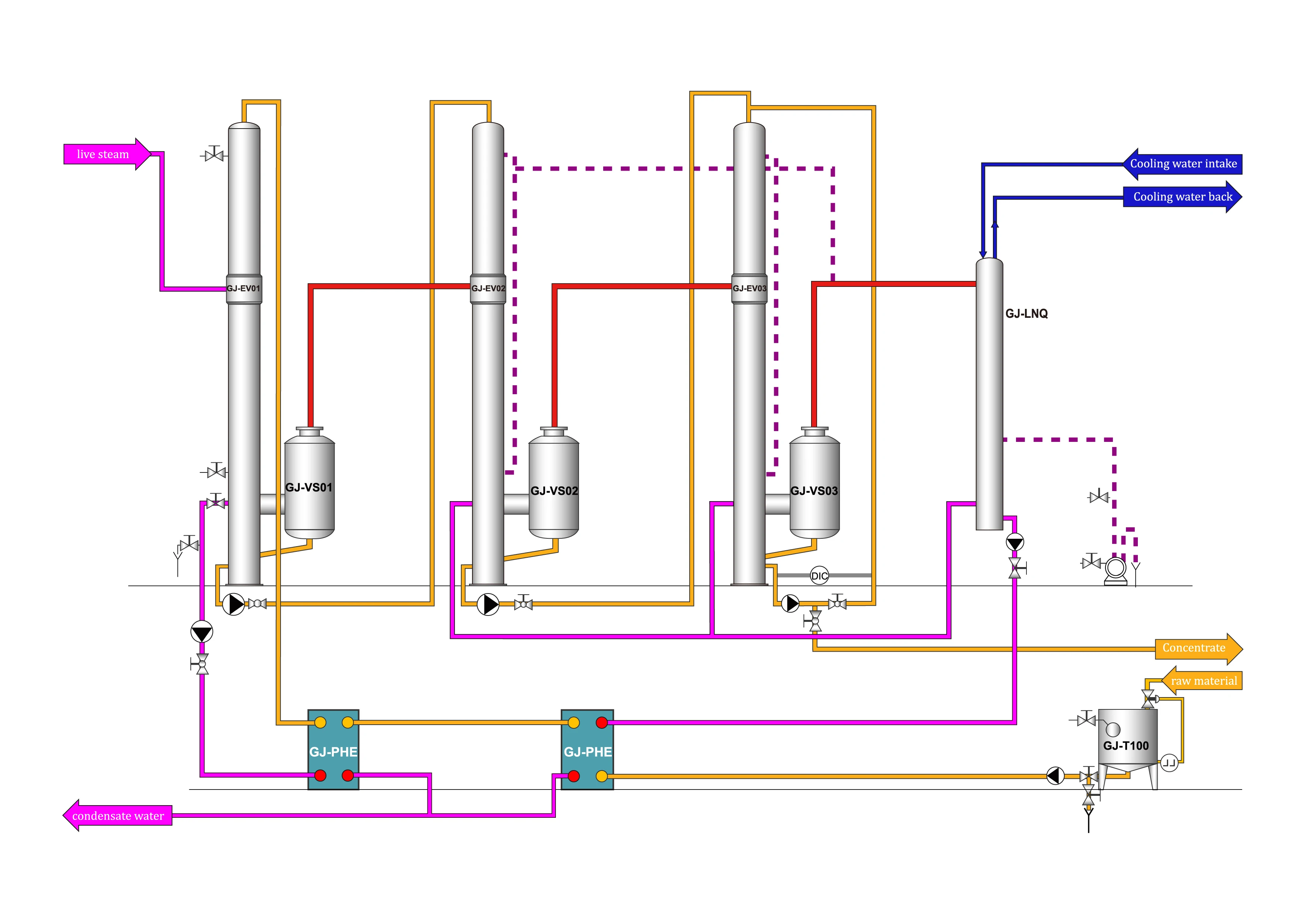
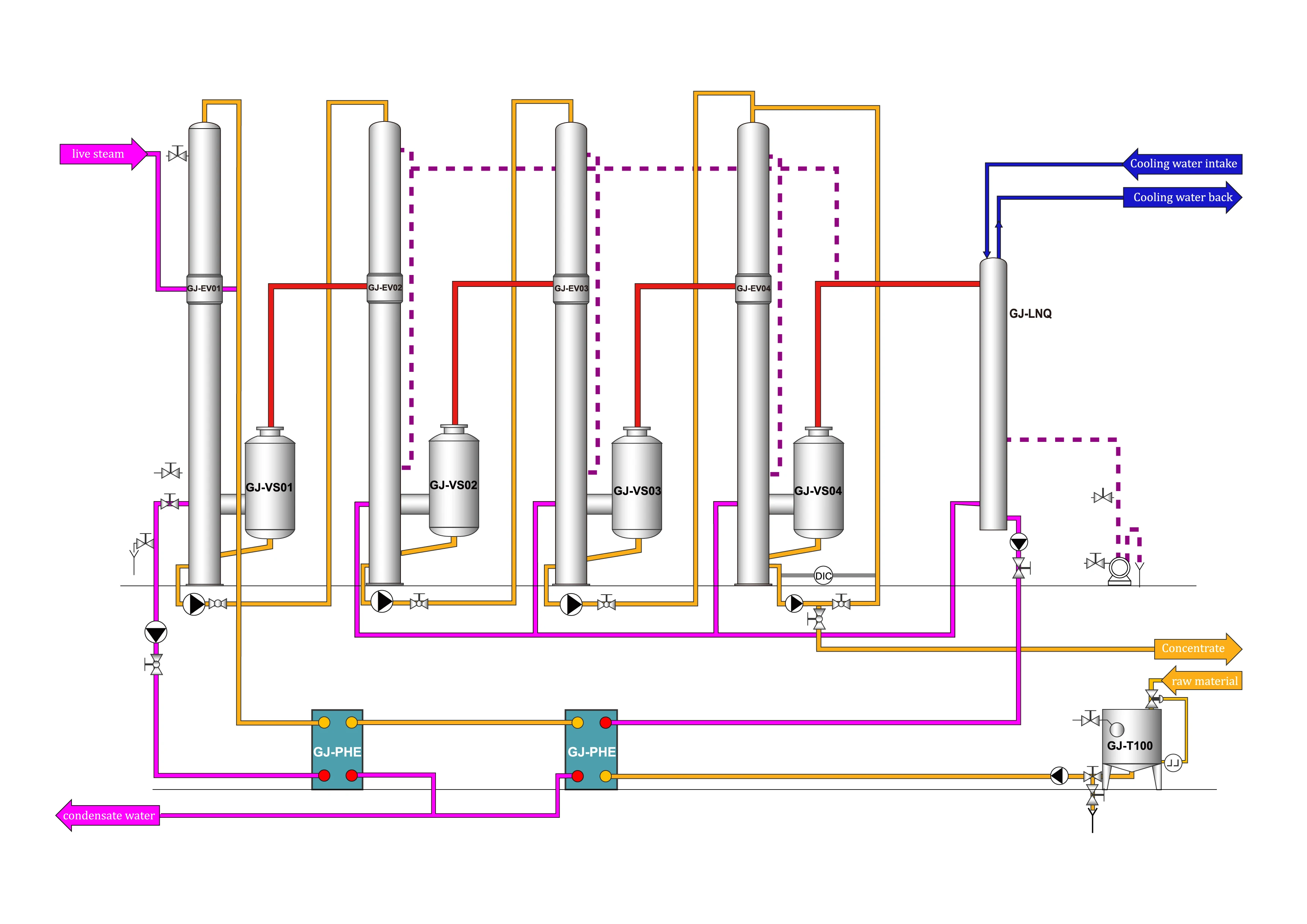
(1) The raw material is transported by the feed pump through the electromagnetic flowmeter to the front-end first-stage preheater (preheating of the raw steam condensate), and then enters the top of the first-effect heater through the cloth liquid to perform a falling film evaporation concentration;
(2) The first-effect concentrate is transported to the top of the second-effect heater by a one-effect bottom material circulation pump for secondary falling film evaporation concentration.
(3) The second-effect concentrate is transported by the second-effect bottom material circulation pump to the top of the three-effect heater for three times of falling film evaporation;
(4) Three-effect concentrate discharge, according to the on-line detection of the hydrometer, the material concentration is detected in real time. If the material concentration reaches the set requirement, it is interlocked with the discharge valve to open the discharge and deliver the finished product tank, otherwise, it is opened. The material circulation valve causes the material to be recycled to the evaporator again for evaporation and concentration.
2. Steam process
The raw steam enters the one-effect heater, and is heated and evaporated to concentrate; the secondary steam generated by the first effect is heated for the second effect, and so on. The secondary steam generated by the three effects enters the terminal condenser for condensation cooling, and the condensed water is concentrated and discharged by the condensate pump.
3. Condensate process
The condensed water generated by the steam of the first-effect heater passes through the front-end preheater of the water supply pipe at the bottom of the casing to preheat the material to save the amount of raw steam. Second, the condensed water generated by the three-effect heater and the condenser is discharged by the condensate pump. , the emission has reached zero pollution; the non-condensable gas is connected to the terminal condenser by the non-condensable gas pipe, and is discharged by the vacuum pump.







Why Choose us?
1. More than 20 years of experience in the design and manufacture of evaporation systems, which can quickly determine the problems of the evaporation system during operation, and has a data database of practical operations of hundreds of materials.
2. The professional personnel and R&D team of the evaporation department have the most complete plate evaporation type in China, which is satisfied with the process needs of different industries.
3. Product series, rising film, lifting film, and falling film three series of evaporators, gathered in all the advantages of evaporation form, respectively, in different empirical data, is the most advanced and complete professional company in the field of evaporation.
4. The evaporation plate type has the largest single-plate area of the international model and the smallest model to meet different working conditions.
5. Semi-welded imported plate evaporator plate type, leading international technology, to solve the problem of expensive imported equipment and untimely service.
6. Ranked first in the market share of plate evaporation system in the starch sugar industry. China's first brand in the refined sugar market at home and abroad, has rich experience in overseas projects, and has served the project experience of evaporation systems for many countries.
7. The design process is compact and the system energy saving effect is more significant than similar products. And each system has 3D drawings.


Nanjing Gaojie Light Industry Equipment Co., Ltd. is a professional manufacturer specializing in heat exchangers, condensers, multi-effect evaporation concentrating devices and evaporation crystallization equipment, which is a national high-tech enterprise. It integrates design, production and sales.

FAQ
Q : 1. Can I have a sample ?
A : Yes, welcome to place sample order to test and check quality.Mixed samples are also OK.
Q : 2. What is your the lead time for production?
A : Generally Sample needs 1-3 days,mass production needs 15-30 days,also depands on your request.
Q : 3. Can you accept mixed batch of different products?
A : Yes,we can provide different product mix wholesale.
Q : 4. what payment terms do you accept?
A :Trade assurance,TT,Western Union.
Q : 5. what is the warranty for your products?
A :We provide one year warranty for the products..
Q : 6. Are you trading company or manufacturer?
A :Yes,We are manufacturer.Welcome to visit our factory and check our pruducts.
If you have any other questions,Please feel free to contact us!
New products from manufacturers at wholesale prices