Водяной насос фунт/кв. Дюйм, 100 бар, лм/мин, триплексный плунжерный насос высокого давления для мойки автомобилей, кВт, SML1507G

Share on (62391698634):


Price:104,00 $ - 134,00 $

Quantity:


Product Overview

Description


SML1504G.jpg


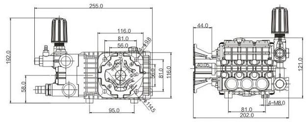
SML1504G-drawing.jpg
































Model

Flow Rate


(Gpm)-(lpm)


R.P.MPlunger DiameterStroke

Max Pressure


(Psi)-(bar)


Power
SML1504G0.8/314401541500/1001.1KW
SML1507G1.4/5.314401571500/1001.5KW

SML2209A.jpg


2.jpg



Accessories


 Spare Parts of Pumps & Pressure Washers for Sale:.jpg





Company Information


 .jpg


-1.jpg




0.2165 s.