Share on (62394600571):
Standard laboratory sand dust proof test machine
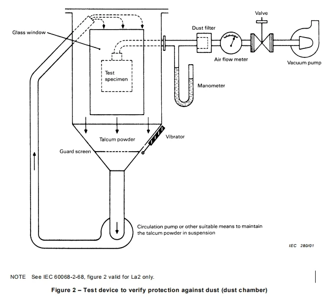
The sand and dust test chamber is simulates the destructive nature of the natural sand-sand climate and is suitable for testing the shell sealing performance of the product. It is mainly used for the tests of IP5X and IP6X specified in the enclosure protection level standard.
The test chamber is use for low-voltage electrical appliances, motors, instruments, meters, lamps, household appliances and other products, in the storage, transportation and use of the process will often be affected by dust and dust environment.Especially cars, electrical appliances affected by sand dust is more significant. This equipment is the use of artificial simulation of dust and dust environment, to test the test dust on the test equipment, test specimens in this environment, the sealing and corrosion resistance
Model | HNS-IP56X -125L | HNS-IP56X -500L | HNS-IP56X -1000L | HNS-IP56X -1500L | |||
Inner size | 500*500*500 | 800*800*800 | 1000*1000*1000 | 1000*1500*1000 | |||
External size | L950×D720×H1500 | L1250×D1020×H1770 | L1450×D1220×H1970 | L1450*D1720*H1970 | |||
Temperature range | RT+10~70℃(notice when order) | ||||||
Relative humidity | 45%~75%(can not show ) | ||||||
Metal screen standard line by | 50um | ||||||
Line spacing between lines | 75um | ||||||
Talcum powder dosage | 2~4kg/m | ||||||
Test dust | Dry talcum powder | ||||||
Dusting dust way | Free dust | ||||||
Total test time | 0-999h adjustable | ||||||
Vibration time | 0-999h adjustable | ||||||
Timing accuracy | ±1s | ||||||
Outer box material | A3 Electrostatic spraying of steel plate | ||||||
Inner box material | SUS304 stainless steel | ||||||
Gate structure | With large observation window and is equipped with a dust collector | ||||||
Protect | 0-999h adjustable | ||||||
Vacuum degree | 0—10Kpa(adjustable) | ||||||
Pumping speed | 0-2400L/h(adjustable) | 0-4800 L/h(adjustable) | 0-6000 L/h(adjustable) | ||||||
Power supply(V) | AC220V | ||||||||
power(KW) | 1KW | 1.5KW | 2KW | ||||||
standard | IEC60529:1989+A1:1999、GB4208、GB7000.(IP5X、IP6X) | ||||||||




1.By sea: slow but conomy for large equipment, and long times shipping (most about 30days),
2.By air :faster and more expensive for large equipment.
DHL/UPS/FEDEX/TNT/EMS ECT
1.Can I get a sample from you?
Currently we don't provide free samples, but you can get a paid one.
2.Which kind of inquiring is preferred?
A quality inquiring help us to quote more effectively.
It should include: A brief self-introduction; Some inquiry details such as product name, standards, quantity, size, etc. But never forget to leave your contact information.
3.What is the payment terms?
T/T ,Paypal,Western Union,Ali assurance etc
4.What is the delivery time?
3-7days if in store, big equipment is about 30-60 working days
5.Can I book a factory tour?
Yes. Please contact us to arrange it.
6.What is your equipment warranty?
1year,if you need more ,welcome to contact us get more details .
7.What's your working hours?
8:30~12:00 13:00~19:00 (from Monday to Friday)


New products from manufacturers at wholesale prices