Share on (62407843777):
1500A/4V Split core hall current sensor with voltage output
HOVD-33K5 Series Split Core Hall Current Sensor

Introductions:
These are newly developed split core hall current sensor series which can be used for detecting of DC,AC, high frequency, pulse as well as various of irregular wave of current signals.
Features:
Split core, Easy to install
Compact and light
Flame retardant (UL94- V0).
Advantages:
High precision and good linearity.
Low offset and gain drift.
Low insert loss, Good overload capacity.
Wide band frequency, quick response.
Application:
Switching power supply, Welding machine power supply
Battery supply, UPS,Measurement control system, Inverter
Specification:
Mode Parameter | HOVD-33K51 | HOVD-33K52 | HOVD-33K53 | HOVD-33K54 | HOVD-33K55 | HOVD-33K56 | HOVD-33K57 | Unit |
Input current | 200 | 400 | 600 | 800 | 1000 | 1500 | 2000 | A |
Measuring range | ±400 | ±800 | ±1200 | ±1600 | ±2000 | ±3000 | ±3000 | A |
Output voltage | 4 (T=25℃) | V | ||||||
Loaded resistance | ≥10 | kΩ | ||||||
Supply voltage | ±12~±15(5%) | V | ||||||
Current consumption | ≤15 | mA | ||||||
Zero offset voltage | ≤±20 ( T=25℃) | mV | ||||||
Offset voltage temperature drift | ≤±20 ( T=25℃) | mV | ||||||
Output voltage temperature drift | ≤±1mV/℃(IP=0 T=-10~+70℃) | mV | ||||||
Linearity | ≤1 .0 ( T=25℃) | % | ||||||
Accuracy | ≤1 .0 ( T=25℃ VC=±15V) | % | ||||||
Response | <7 | µS | ||||||
Insulation hipot | 3.0 | kV/Min | ||||||
-3db band width | DC…10 | kHz | ||||||
Working temperature range | -20~+80 | ℃ | ||||||
Storage temperature range | -40~+85 | ℃ | ||||||
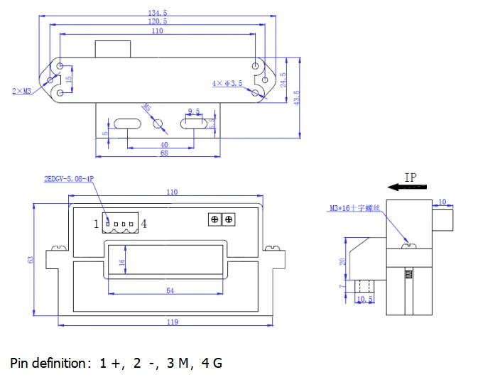
Size :

Connect: 
Instructions for use:
1. Connect the current according to the calibration direction of the circuit diagram, pay attention to the direction of current.
2. Connect the wire according to the function pin definition of the calibration in the structure diagram.
Shenzhen Deheng Technology CO.,LTD is mainly engaged in Precision miniature transformer, Fluxgate sensor, Hall sensor, Rogowski sensor,Electric vehicle charge equipment, Electrical testing&protection products etc.
The company has a complete and scientific quality management system, providing strong technical support and perfect after-sales service for customers.
We have passed ISO9001 quality management system, SGS and RoHS certification. Our materials and products have passed environmental protection requirements. The company has professional quality inspectors to ensure full inspection of all products.
We sincerely welcome clients visit our factory, give us guidance. Let's work hand in hand to creat brilliancy.
Package details:
1. Standard Export Carton for certain inner packaging.
2. Inner Packaging providing Mounting Accessories.
3. Quality poly bags for each products.
4.Support customized.
Q: Are you trading company or manufacturer ?
A: We are manufacturer
Q: How long is your delivery time?
A: Generally it is 3-7 days if the goods are in stock. or it is 15-20 days if the goods are not in stock, it is according to quantity.
Q: Do you provide samples ?
A:SURE. If your data sheet matches our current ct, we will send you FREE samples.
However, if yours is not in our list, we will make a new mould.
Q: Can you design according to our equipment?
A:Yes, we have a technicians team, who are experienced in customized designing.
New products from manufacturers at wholesale prices