Share on (62434793288):

The ACD series “All-in-One”compact dryers combine drying, dehumidifying and conveying functions in a single unit. Mainly by the turn wheel regeneration desiccant system blow dry type stainless steel heat preservation material barrels, optical feed system with intelligent PID temperature control system and circuit control system.It’s widely used in all kinds of plastic raw materials, especially the hygroscopicity strong engineering plastics, such as PA, PC, PBT, LCP, PET, etc., can reach to -40 dew-point under ideal condition , this series of products applied the AD series honeycomb wheel dehumidifier collocation type with stainless steel under European insulation dry material barrel.
All series USES the P.I.D temperature control system for the standard equipment, the other provides PLC control with LCD touch human-computer interface for the choose and buy, dew-point meter and automatic packing machine for matching.
Model Features
l Stable supply to 40℃below the dehumidification air dew point ,dew point stable.
l PID temperature controlling system ,low power consumption,high efficiency.
l Using no-contacting solid state relay control heating (distribution);
l All stainless steel feeding system;
l Closed circle back dehumidification system.
l Standard configuration is 3 injection molding of the raw material supply,the highest could e configured for 6.
l Simple operation layout could understand the condition of machine running,clearly.
l Intelligent Fault alarm and could make an appointment time, multiple protection devices.
Optional dew point meter could monitor the dew point at any time .
Specifications
| Model | ACD-525 | ACD-550 | ACD-575 | ACD-10100 | ACD-15150 | ACD-20200 |
| Hopper capacity(kg) | 25 | 50 | 75 | 100 | 150 | 200 |
| Flow(M3/hr) | 50 | 50 | 50 | 100 | 150 | 200 |
| Heater power(KW) | 2.5 | 4 | 4 | 6 | 8 | 10 |
| Blower power(KW) | 0.37 | 0.75 | 0.75 | 1.1 | 1.5 | 2.2 |
| Regeneration heater(KW) | 2.5 | 2.5 | 2.5 | 4 | 4 | 5 |
| Regeneration blower(KW) | 0.18 | 0.18 | 0.18 | 0.37 | 0.37 | 0.37 |
| Conveying blower(KW) | 1.1 | 1.1 | 1.1 | 1.5 | 1.5 | 1.5 |
| Hose(inch) | 1.5 | 1.5 | 1.5 | 1.5 | 1.5 | 1.5 |
| Dimension(MM) | 650*1150*1800 | 680*1290*2000 | 680*1290*2100 | 840*1400*2200 | 840*1400*2320 | 920*1500*2350 |
| Weight(KG) | 350 | 390 | 410 | 450 | 555 | 600 |
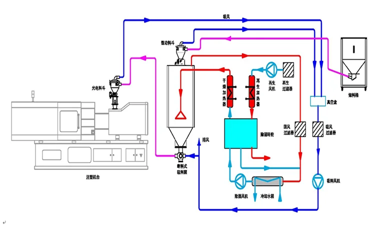
Schematice Diagrams













New products from manufacturers at wholesale prices