Share on (62443562947):
Replacement:
Fit Engine HP | Fit OEM Number |
Fit Tohatsu Nissian 9.8HP M9.8B NS9.8B | 3B2-01005-0 3B201-0050M Cylinder Head Gasket |
3B2-02104-0 3B202-1040M Inlet Manifold Inner Gasket | |
3B2-65029-0 3B265-0290M Guide Plate Case Gasket | |
3B2-65020-0 3B265-0200M Water Pump Case Lower Gasket | |
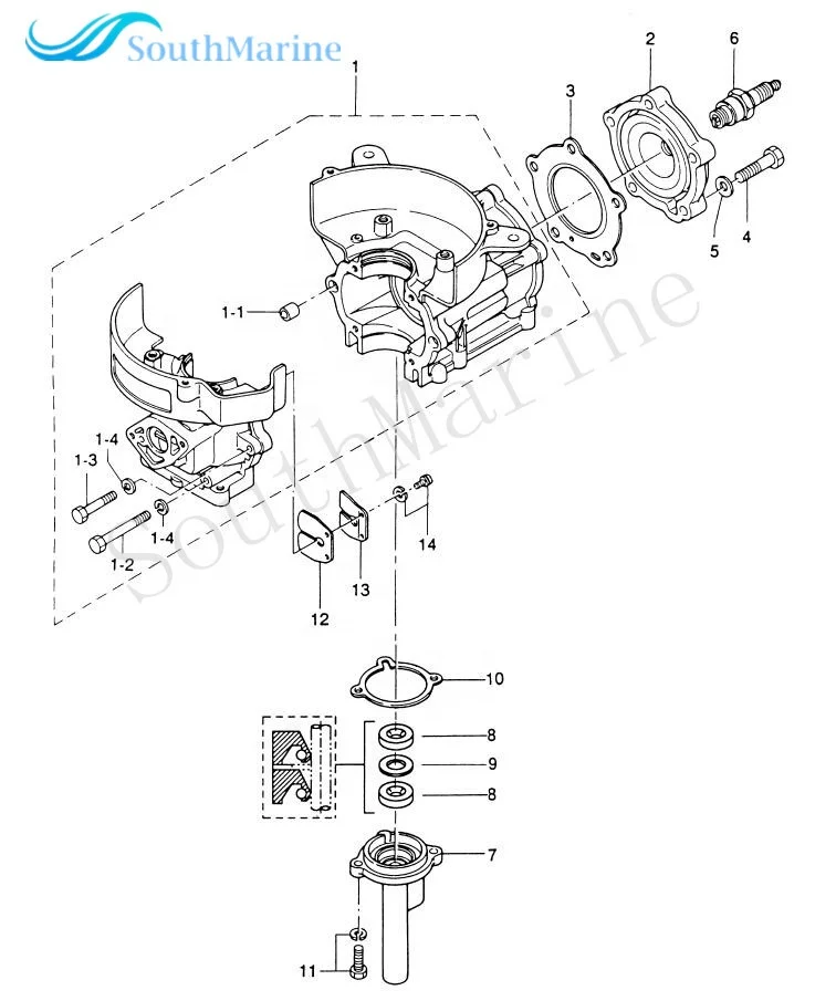
3B2-61012-0 3B261-0120M Drive Shaft Housing | |
3B2-02105-0 3B202-1050M Inlet Manifold Outer Gasket | |
3B2-02305-0 3B202-3050M 3K9-02305-0 Exhaust Cover Gasket | |
3B2-02312-0 3B202-3120M Exhaust Pipe Gasket | |
3B2-65018-0 3B265-0180M Water Pump Case Gasket | |
369-02011-0 36902-0110M Carburetor Gasket | |
3B2-01214-0 3B201-2140M Crank Case Head Gasket | |
Tohatsu 9.8F Complete Gasket Kit | |
Fit Tohatsu Nissian 5HP M5B NS5B | 369-61012-0 36961-0120M Drive Shaft Housing Gasket |
369-01005-1 36901-0051M Cylinder Head Gasket | |
369-02011-0 36902-0110M Carburetor Gasket | |
369-0214-0 36901-2140M Crank Case Head Gasket | |
M5B Complete Gasket Kit | |
Fit Tohatsu Nissian 3.5HP T3.5 | 309-01005-1 30901-0051M Cylinder Head Gasket |
309-61012-1 30961-0121M Drive Shaft Housing Gasket | |
3.5F Complete Gasket Kit | |
Fit Tohatsu Nissian M18 | Complete Gasket kit |
Fit Tohatsu Nissian 4-Stroke 4HP 5HP 6HP | Complete Gasket kit |





New products from manufacturers at wholesale prices