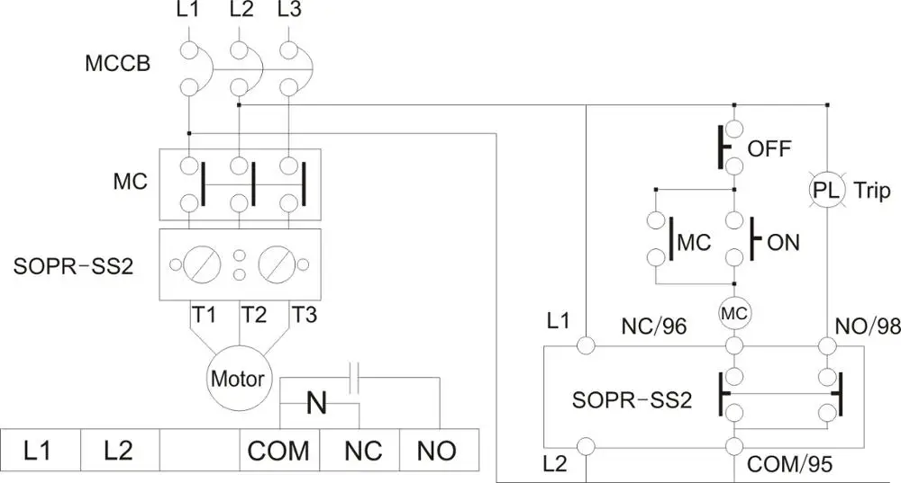
Share on (62491500074):

Protetcion | ||
Protective Item | Operating (Trip) Time | |
Over-Current | O-TIME | |
Phase Loss | O-TIME | |
Locked Rotor | D-TIME+O-TIME | |
LED Indication | ||||
Item | PWR(Green)LED | Trip(Red)LED | ||
Power | ○ | × | ||
Normal Running | ○ | × | ||
Trip | × | ○ | ||
Specifications | ||
Current Range | Type06) 1-6A | |
Type30) 5-30A | ||
Type60) 5-60A | ||
Type120) 10-120A | ||
Type600) Use an external CT(secondary 5A)over 60A with 05 type | ||
Operating Voltage(Un) | Tpye110)110VAC | |
Tpye220)90-260VAC | ||
Tpye440)180-460VAC | ||
Operating Frequency | 50/60Hz | |
Operating Power | <2W | |
Operating Temperature | -20℃·····+55℃ | |
Waiting(t) | D-Time 0.2-60s | |
O-Time 0.2-12s | ||
Asymmetry Set | %±10 | |
Contact | 5A 250VAC Resistive Load | |
Mounting | 35mm Din Rail(D) or Pane(P) | |




New products from manufacturers at wholesale prices