Share on (62504429595):



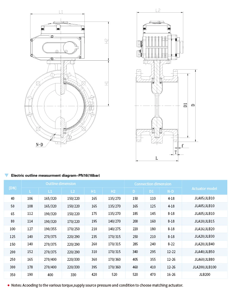
DN | DN15~200mm |
Nominal Pressure | 1.6~6.4Mpa(other pressure can be customized) |
Body material | Carbon steel,Stainless 304,316 |
Seal material | PTFE(F), PPL ,Hard sealed(H), Hard Alloy(Y) |
Media Temper. | W2:-20~150℃W3:-20~250℃W4:-29~425 |
Connection way | JLAT series,JLAW series,Import regulator series |
Pneumatic | Flange, Butt welding |
actuator | Double action series,Single acting normally closed,Single acting normally |
Interaction method | open |
Electric actuator | JLAT series,JLB series,Import regulator series |
Control mode | Standard switch,Whole regulation type,Whole Switch, Main line type |










New products from manufacturers at wholesale prices