Share on (62531755899):
1. Working principle
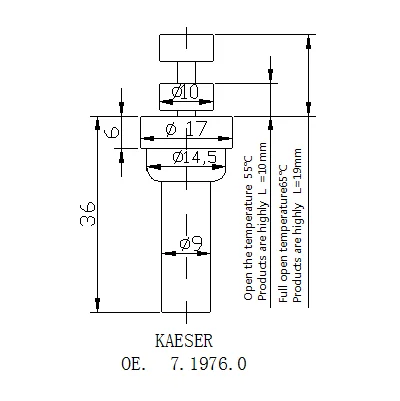
The basic structure of the automatic temperature control valve is composed of the sensor self actuator and valve body.
Element structure as shown in the above sense temperature, flow through the valve, the valve body internal heat element heat or cold and heat sealed containers by rigid pure copper outer wall make thermal wax hot melt inside the cup (or condensation) volume expansion (or contract) to push the diaphragm, the conical rubber body, forces the pistons to drive control opening and closing, so as to adjust the opening of the valve.
In the actual structure, the design is generally:
(1) the amplification mechanism amplifies the small axial displacement of the piston to the circular direction, which greatly increases the opening adjustment capacity of the valve;
(2) the resetting spring mechanism makes the piston return to the position when the heat is cooled.
(3) the temperature control setting mechanism allows the valve to be set and adjusted according to the actual situation to the control temperature.
2. Automatic thermostatic valve features relative to the electromagnetic temperature control valve, electric, pneumatic, automatic thermostatic valve has the following advantages: (1) no power or compressed air and other external power, simple structure, high safety;
The temperature control precision is high and the work is stable.
The over-temperature protection device is sensitive and reliable, and the protection scope is large, which can ensure the safe operation of the equipment under special circumstances.
The proportional control will not cause water hammer damage;
The application scope is wide and can be used for temperature control of many kinds of media.
Small size, not afraid of freezing, light weight, easy to install.


1 | Sample confirmation before mass production |
2 | Advanced equipments |
3 | Well-trained workers |
4 | Strictly management & Inspeciton lines |
5 | Rich-experienced exporting salesman |
6 | 100% individual part procession inspection before final packing |


A: Both, actually we are both factory and trading company.
A: Generally it is 5-10 days if the goods are in stock. or it is 15-20 days if the goods are not in stock, it is according to quantity.
A: No, we couldn't offer the sample for free charge and do not pay the cost of freight.
A: Payment<=1000USD, 100% in advance. Payment>=1000USD, 30% T/T in advance ,balance before shippment.
If you have another question, pls feel free to contact us.
1. According to the size of the spool, we will use foam board or bubble bag for internal packaging
2. Carton is usually used for outer packing, and a layer of packing belt is wrapped outside for fixing
3. If there is any special customization, please contact us
transport
1. Sample orders shall be sent by international express
2. Final order shipment can be made using your forwarder
New products from manufacturers at wholesale prices