Share on (62537368804):
Production Name: 1000kg per hour vegetable ghee production line making equipment making machine
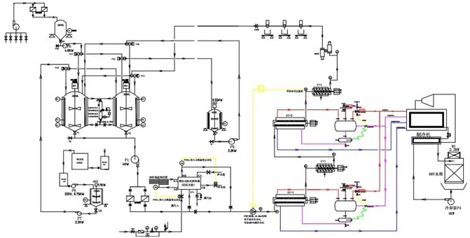
Flow Chat of Ghee Production Line

Raw Material: vegetable oil, animal oil, palm oil, etc.
End Products: shortening, ghee
Process: Measuring---Ingredients Configuration---Filtration---Emulsification---Chilling---Kneading---Filling&Packaging

Our equipment has the following characteristics:
The performance and technology of our margarine/ghee/shortening equipment are basically the same as those of similar equipment in Europe and America(as SPX FLOW ) . Our price is much lower than that of European and American equipment.
We adopts well-known brand equipment accessories to ensure the reliability of overseas customers' equipment and minimize the maintenance time of customers.
Our equipment is a turnkey project to ensure that customers can use our equipment to produce products that customers need to produce.
Compared with the equipment of other Asian manufacturers, our equipment is much more efficient in producing ghee/shortening/margarine products, which saves a lot of production costs for users.
Main Equipments
1. Oil phase and Mixing Tank

2. High Pressure Piston Pump

3. SSHE(Votator)


4. Pin worker( Kneading Machine)



5. Filling Machine


New products from manufacturers at wholesale prices