Share on (62562098706):
TURIN Handling Robot Features:
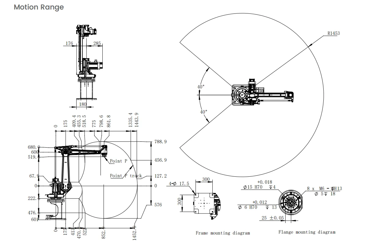
TKB480S/E industrial robot with lightweight design, compact structure, large operating space, fast dynamic response, stable and reliable performance.
Features
Flexible installation method:
TKB4800S/Epayload 8 kg, reaching a distance of 1453mm, highly compact design, can be flexibly choose to install or upside down installation is conducive to shortening the takt time and broaden the range of applications.
Excellent price / performance ratio
Product structure design rigorous, the key components are from first-class suppliers, superior product performance. Superior acceleration and deceleration performance, help to shorten the working time, improve production efficiency.
High-end configuration:
The robot's core components are all imported brands (reducer: 1/2/3 axis, Japan's Nabtesco; 4/5/6 axis Japan's new treasure. Servo Drive: South Korea LS. Drive Motor: 1/2/3 Axis, South Korea LS; 4/5/6 axis, Japan Tamagawa), and the use of the most advanced EtherCAT bus technology, with high speed, high precision, good stability, long hours 24 hours continuous operation. TKB1600 robot can be applied to almost all typical industrial applications, including: welding, spraying, grinding (polishing), machine loading and unloading, sorting and so on.
Easy to operate and programming:
Through the intuitive and friendly teaching pendant, robotics and arc welding process can be easily programmed and maintained. The teach pendant uses a popular PC graphical interface, no matter whether the robot is controlled or the specific process equipment, the operator has no stranger feeling.
Quick support and service:
Proactive and timely customer service, regular maintenance. Spare parts quality and cheap, can be quickly replaced. High-quality service for your production escort.
Standard Robotic Arm Package Component List :
1,Robot body.
2,Electrical Cabinet (including controller, drives, transformer etc).
3,Teaching pendant.
4,Wirings.
5,Working process software.
6,One remote operation box.
We offer high quality multi axies industrial robots with payload 3kg 5kg, 6kg, 10kg, 20kg, 30kg, 50kg, 60kg, 80kg, etc. We have both robot controller technology and robot body technology. Our controller have get the largest user market in China.







Our History:
TURIN was Founded in 2007 with a registered capital of 121.60 million yuan invested by the China famous college-Shanghai Jiao Tong University and focused on Intelligent control research and development. In 2011, TURIN purchased the Italian company RRRobotica by holding 100% shares and started to research and development of Robot controller . In 2013, TURIN started to manufacture industrial robots and became the first batch of robot producer in China. Now TURIN is a leading robotic arm manufacturer in China focusing on welding robots, 6 axis robots for handling,polishing, spraying,cutting, 4 axis robots for stamping , high precision SCARA robots for pick and place applications.
Why choose TURIN:
1) Agency protection policy:Our company don't sell to end users directly, we authorize 2-5 stragetic partners in every country and give price control,protecting resonable profit of our partners and ensuring timely service support to end users.
2) Reliable Quality: 6-year market validation, total sales more than 20000 robot sets. TOP10 robot manufacturer in China.
3) Italian Design Technology: use Italian mechanical and circuit design, and take in ABB wiring layout techology in our robot body manufacturing
4) Strong R&D ability: 90% of the whole R & D team members come from the famous university--Shanghai Jiaotong University, Supplying you strong software bottom framework and wonderful expansibility robot controller
5) Guaranteed after sales service: Two-year warranty period. On-line sales Consulting and video technical support. Completed documents with operation videos and free training at factory
6) Customer oriented service concept: Our CEO-Mr Xu worked in ABB more than 10 years and our Technical Manager-Mr Chen is Doctor of Jiaotong University, they are well understanding of the professional and rigorous work style of foreign customers and give great support in all aspects.
7) The operating system language supports English; you can customize Japanese, and other languages.
Why choose SOT:
1) We strictly follow the TURIN agent market protection mechanism to rapidly promote and develop overseas agents to further protect the agent's rights and price system.
2) We are the exclusive overseas agent of TURIN's overseas market. All overseas business problems of Turing Robot will be handled by SOT Company. Turing does not participate in any overseas business and does not have any foreign trade department.
3) We will cooperate with and promote Turing technicians to provide 7*24 hours of robot consulting and technical services to provide better service to customers.







FAQ:
Q1: Your equipment is very similar to Yaskaw, is there a relationship between Yaskawa and TURIN Robotics?.
SOT: Thanks for high attention. TURIN Robotics design is based on Dynamics and Mechanical principles to achieve the combination of strength and lightweight. J1-J3 joint uses ductile iron, J4-J6 joint uses aluminum and hollow design to ensure the rigidity of the robot while maximizing the speed of the robot.
Q2: What is the brand for the Servomotors and Speed Reducer of your robots? As yu know is the most important part of the manipulator.
Yes,you're absolutely right ! all our Robot components are China famous brands.
J1-J3 we use RV reductor from Shuanghuan brand
J4-J6 we use harmonic reducer from Leadedriver brand
Q3: Has the main control an ethernet port available?
Yes, it is baisc configuration.
Q4: What kind of fieldbus are available for the control? (DeviceNet, Profinet, Profibus, etc)
DeviceNet
Q5: Do you have a simulator software?
So far our company don't have own simulator software, can support SprutCAM simulator software.
Q6: What kind of training offers your company?
Free training at our factory for 3-5 days depends on customer's requriements;
Paid engineer assignment service
Free on-line videos for technical guide, we upload installation, wiring,programming and other operation guide videos on our YouTube channels at irregular time
Q7: Do you have an estimated data for MTBF kpi? (MTBF= Medium Time Before Failure).
>5000 hours
Q8: Is could be posible to connect a Fronius, Miller, Lincoln or SKS welding power sources (analog and/or digital communication)?
yes, our Robot can connect to Fronius, Miller, Lincoln or SKS welding power sources with analog control mode(any brand welding power sources which has robot interface can do) ;
but for digital welding power source, need matching and test (so far we only support Magmeet and OTC brand digital welder)
Q9: What's your payment term :
SOT: 20% deposite in advance and 80% payment balance before shipment.
Q10: What's your delivery time ?
If there are robots in stock, can ship out within 3 days; if no stock, will need around 12-15days for preparation.
New products from manufacturers at wholesale prices