Mean Well LPC 20 700 20W 700ma LED Driver 20W led driver

Share on (724110705):


Price:

Quantity:


Product Overview

Description


LPC-20-700.jpg



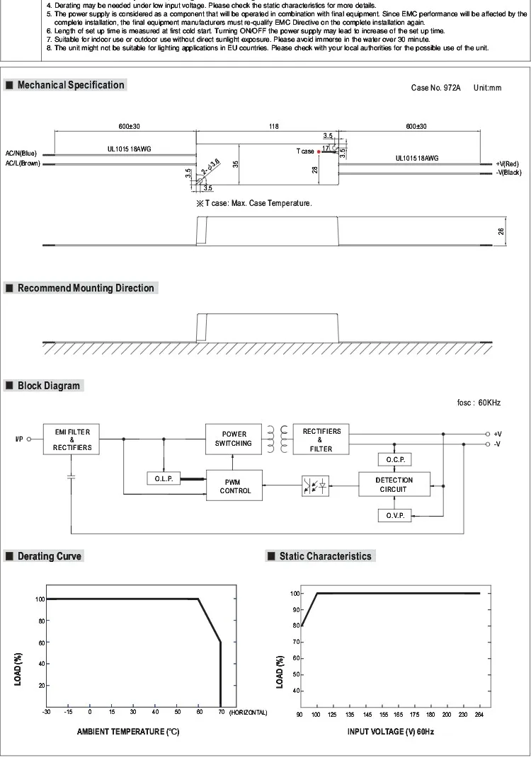
Specifications


xxxx_06.jpg

























BrandMean wellInput90~ 264VAC 127 ~ 370VDC
ModelLPC-20-700Warranty2 years
Output

 700mA 21W


CertificatesCB  CE  TUV  EMC ROHS

XXX_08.jpgxx_09.jpg                                                                           LPC-20-350                                 LPC-20-700
xx_10.jpg


xx_11.jpg



Our Strength


womendeshili.jpg  




 



Trade assurance


YJ




0.1848 s.