Share on (841901800):
Description
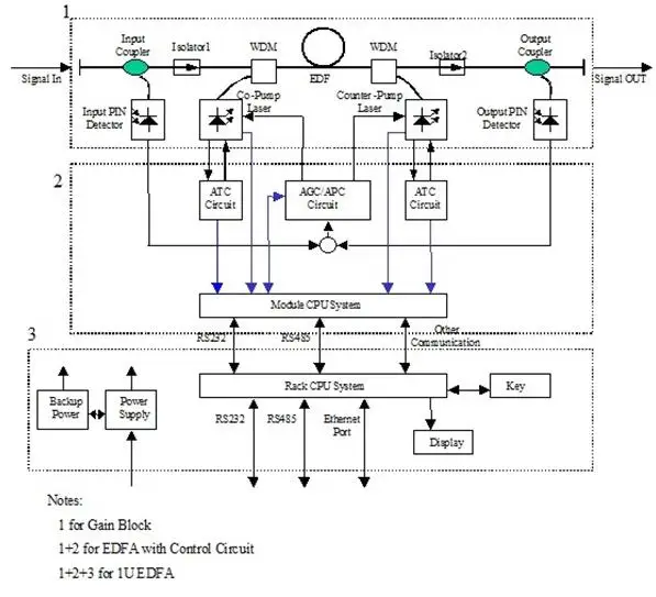
OPA-2110 is a kind of Single Channel EDFA for Telecom. It is high stability output EDFA. The stability Pump optical laser and unique ATC (automatic temperature control) and APC (automatic power control) circuit are employed in it as the key component to ensure the high stability and reliability of output power, The unique optical circuit design ensures the excellent optical character. The high stability and high precision MPU system are employed to ensure the control adjustment and display is intelligent and easy.
The optical circuit is designed especially for digital optical fiber communication system including
(1) Lower noise figure
(2)High output booster and high sensitivity Pre-Amplifier improve the system loss budget
(3)Broad input power range and output power adjustable make it use easily.
The design of dual Power Mixed and hot swap make it has longer MTBF. Also, the power system can be backup.
Employ the intelligent temperature control system,the fan is on when the module temperature over 45°C, meanwhile it will stop as the temperature is under 40°C, which makes sure the thermal stability and fan’s long life-time, meanwhile, the professional air flow design can also ensure the best temperature stability.
Intelligent network management system, perfectly network interface: Ethernet, RS-485 and RS-232 network interface,and the open MIB ensure the connectivity with all other network management system.
Features
(1) Low noise figure: typical is< 4.5dB
(2) 1U 19” rack mount structure
(3) High-performance dual-pluggable power supply: 110V/220V mixed with 48V
(4) High stability and reliability: MTBF>150000 hours
(5) Hot Swap Network management Agent
(6) Complete network management interface: Ethernet, RS-485, RS-232 interface
(7) Support Telnet and standard SNMP Network management
(8) Output power is adjustable by Network management manual
(9) High Precise AGC and APC Circuit: Typical power control accuracy is ±0.05dB
(10) High Precise ATC Circuit: Typical temperature control accuracy is <±0.1°C
(11) Intelligent Temperature Control System: using a dedicated Temperature control chip which make cooling and power loss reduce 30% than competitors
(12) ASE suppression filters for pre-amplifier is optional
(13) OEM is available
(14) All performance compatible with BellcoreGR-1312-CORE request
Application
(1) SDH,ATM long distance transmission
(2) Video optical transmission system
(3) Optical Distribution System
(4) Booster
(5) In-Line amplifier
(6) Pre-amplifier
Technical Specification
Item | Symbol | Unit | Min | Typ | Max |
Optical parameters | |||||
Operating wavelength | λc | nm | 1530 | 1550 | 1565 |
Saturate output power1 | Posat | dBm | --- | --- | 20 |
Input power2 | Pi | dBm | -35 | --- | +6 |
Gain | G | dB | --- | 20 | 32 |
Noise figure | NF | dB | --- | 4.5 | 6 |
Power /gain stability | Po/G | dB | --- | ±0.05 | ±0.1 |
Input isolation | OSIi | dB | 30 | --- | --- |
Output isolation | ISOo | dB | 30 | --- | --- |
Input pump leakage | PLi | dBm | --- | --- | -35 |
Output pump leakage | PLo | dBm | --- | --- | -45 |
Return loss | RL | dB | --- | --- | -45 |
Polarization Dependence Gain | PDG | dB | --- | --- | 0.3 |
Polarization Mode Dispersion | PMD | ps | --- | --- | 0.5 |
Electrical performance | |||||
Operating voltage3 | V | VDC | -36 | -48 | -72 |
Power consumption | Pc | W | --- | --- | 18 |
Environmental performance | |||||
Operation temperature | Tw | °C | 0 | --- | 50 |
Storage temperature | Ts | °C | -40 |
| 80 |
Humidity4 | --- | % | 10 | --- | 90 |
Remark:
1: Optional
2: Booster-Amp:-10~+6dBm; Line-Amp:-25~-10dBm; Pre-Amp: -35~-25dBm;
3: 110VAC, 220VAC and -48VDC are optional
4: No condensation
Ordering information
OPA-2110-A-B-C-D-E-F-G
A | B | C | D | E | F | G |
Bandwidth | Power type | Output power | PS1 | PS2 | Fiber connector | NM |
1: C-band SCH | 1:pre | 020:-20dBm | 1:110VAC | 1:110VAC | 1:SC/UPC | 0:None |
2: L-band SCH | 2:line | 010:-10dBm | 2:220VAC | 2:220VAC | 2:SC/APC | 1:SNMP |
| 3:booster | …… | 3:110~220V | 3:110~220V | 3:FC/UPC |
|
|
| 123:+23dBm | 4:-48VDC | 4:-48VDC | 4:FC/APC |
|
|
|
|
| 0:None | 5:LC/UPC |
|
|
|
|
|
| 6:LC/APC |
|
Remark:
1: Output Power: 3 figure, first for symbol (0: -, 1 :+), second and third for power value, unit: dBm.
2: Booster-Amp:-10~+6dBm; Line-Amp:-25~-10dBm; Pre-Amp: -35~-25dBm.
Block Diagram

New products from manufacturers at wholesale prices