Share on (850512041):
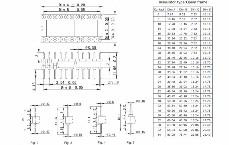
Pitch: 1.778mm/2.54mm IC Socket adapter: Solder type Contact: machine pins with plating gold Pin length:10.0mm/12.05mm
IC Socket Adapter SMT type
Insulator material: PPS
Contact Material: Brass
Number of Poles: 06~64Pins
Row to row distance: 7.62mm/10.16mm/15.24mm/22.86mm
Pin length:11.96mm/10.0mm/12.1mm/11.46mm/11.7mm/13.6mm/15.0mm/22.6mm
SPECIFICATIONS:
Insulator:Black glass filled polyester PBT-GF 30-FR
Contact:Brass CuZn36Pb3(C36000)
Contact clip/4 finger:Beryllium copper(C17200)
Rated current:3A
Contact resistance:max 10mΩ
Dielectric strengh:min 1000 V RMS








New products from manufacturers at wholesale prices