Share on (865109189):
Electric Wheelchair Worm Gear Motor / Wheelchair DC Right Angle Gear Motor / DC Worm Gear Motor / Power Chair Motor / Stair Lift Gear Motor
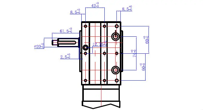
ELECTRIC WHEELCHAIR GEAR MOTOR 80ZY163-24/115WJ TYPICAL SPECS.:
Voltage: 24V DC
Motor Power 276W
Rated Current: 25A
Rated Output Speed: 120rpm
Rated Output Torque: 22N.m
Gear Ratio: 32/1
Noise Less Than 53dB at Distance 400mm





12V DC motor / 24V DC motor / DC motor 24V / DC motor 12V / brushed DC motor / brushless DC motor / stepper motor / AC motor DC gear motor / geared motor DC / DC planetary gear motor / DC right angle gear motor / DC worm gear motor / DC spur gear motor / DC parallel shaft gear motor brushless DC planetary gear motor / brushlesss DC parallel shaft gear motor / brushless DC spur gear motor / planetary gear stepping motor / single phase AC motor / three phase AC motor / AC induction motor / AC gear motor / AC spur gear motor / AC parallel shaft gear motor / AC reversible gear motor / AC brake motor, gear motor, geared dc motor, brushed dc geared motor, pm dc motor, pm dc gear motor, permanent magnet dc motor, permanent magnet dc geared motor, dc gear motor with encoder, worm gear dc motor, dc gear motor hight torque, dc gear motor 48V, planetary gear dc motor, dc gearmotor, ac gearmotor, 36v dc gear motor, truck tarp motor, tarp gear motor
New products from manufacturers at wholesale prices