Мини этикетка датчик глазной этикетки миниатюрный фотоэлектрический слот вилочный

Сохранить в закладки 10000000135386:


Цена:6 027,04 ₽ - 7 458,46 ₽*

Количество:

  • В избранное

Описание и отзывы

Характеристики

MINI LABEL EYE
Label Sensor minature photoelectric slot type fork sensor for Lable Applying, Converting and Priniting

The MINI LABEL EYE® is a special purpose gap or slot sensor optimized to sense adhesive labels adhering to a roll of backing paper.

GET THE OPTICAL ADVANTAGE!
The MLE’s specially designed optics greatly reduces sensitivity to web flutter. The high intensity IR LED penetrates thicker backing material and reduces temperature drift.
The astonishing 35 microseconds allows the MLE to keep up with even the fastest high speed rewinders.

This miniature sensor can fit into many small spaces at only 10mm wide. The fork design with intergrated bracket keeps mounting easy.
The oversize Status Indicator can be seen even from a distance away. Displays GREEN when the sensor is powered on, and displays RED when the output is ON.

Specification
SUPPLY VOLTAGE:
4.75 to 30Vdc
Polarity Protected
CURRENT REQUIREMENTS:
18 milliamps (exclusive of load)
OUTPUT TRANSISTORS:
NPN or PNP (dependent on model)
Outputs sink or source up to 120 milliamps (current limit)
All outputs are continuously short circuit protected.
REMOTE SET INPUT
Active high (PNP) or active low (NPN),
depending on model (1ma)
Transient spike protected
RESPONSE TIME:
35 microseconds
LED LIGHT SOURCE:
High Intensity IR LED
AMBIENT TEMPERATURE:
-40ºC to 70ºC (-40ºF to 158ºF)
PUSH BUTTON CONTROL:
One push AUTOSET
LT/DK inverts output
Adjusts threshold (+ or -)
HYSTERESIS
5%
LIGHT IMMUNITY
Responds to sensor's pulsed modulated light source,
resulting in high immunity to most ambient light
INDICATORS
GREEN or RED to indicate power is on.
AMBER during AUTOSET
Red when sensor's output transistors are ON, 
and GREEN when they are off.
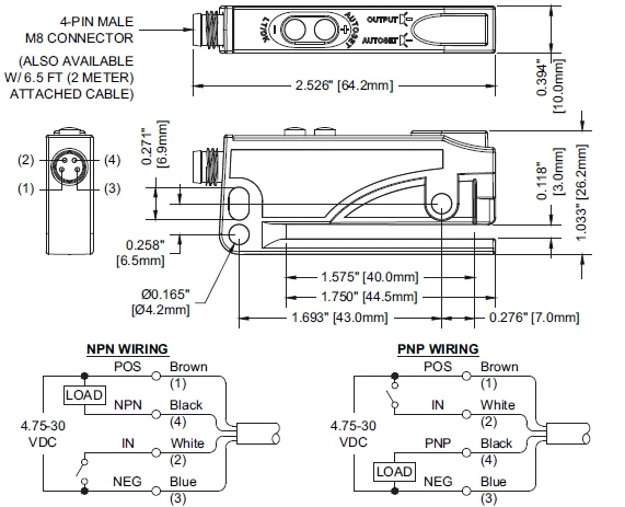
CONNECTIONS:
M8, 4-pin Male
Attached cable: 4-wire 6ft (1.8m)
HOUSING CONSTRUCTION:
Top lid: polycarbonate
Output window: ABS
Case: 50% glass filled nlyon
Buttons: silicon rubber
RATINGS AND CERTIFICATIONS:
IP65
CE
UL Pending
Product Images
Packing & Delivery
Card Board Box
Company Profile
What is TRI-TRONICS?
TRI-TRONICS is a leader in the fields of photoelectric sensors, rotary encoders and elevator door protection. Since 1954, we’ve stayed on the cutting edge so our products remain easy to use, install and maintain. We understand our customers have a job to do and have no time for issues. That is why every one of our products is individually tested for durability and reliability so they stand the test of time.
All our products are assembled in the United States at our 28,000-sq. ft. facility in Tampa, FL. Our agile workforce attends to the needs of our customers—big or small—to complete requests with short turnaround times. TRI-TRONICS offers product customization and private labeling upon request.

Our Mission
Here at TRI-TRONICS, our mission is to amaze our customers, improve their business, and promote mutual prosperity. We recognize that our customers are king and no two companies are alike. This is why we tailor solutions to fit your needs and will do whatever it takes to help you succeed.
In pursuing our mission, we are committed to:
* A culture based on the core values of integrity, responsibility, loyalty, and respect.
* Innovative products that work flawlessly and make sensing easy.
* Standing behind our products with guaranteed personal service and support.
* Being a long-term business partner and not just another supplier. We listen!

Inception
It all started in the early 1950s when three engineers working at Motorola decided to go into business of their own. In 1954, the name TRI-TRONICS was chosen, representing the three original partners. In the beginning, the company focused on research, development, and production of electronic equipment.
By 1956, William James “Jim” Ahlswede, one of the original partners, assumed control of TRI-TRONICS. Jim started manufacturing photoelectric controls known for their high-quality and long-lasting design. In 1974, Jim passed away due to a rare liver disease.
Priscilla, Jim’s wife, became president and sole owner of TRI-TRONICS. The company has remained in the Ahlswede family ever since.
Over the years, TRI-TRONICS grew at an accelerated pace yet maintained a family-like atmosphere and tight-knit company culture.
Having outgrown their facility in Illinois, the company relocated to Tampa, FL in 1981. As a testament to the quality of our workforce, 13 of the 18 employees made the move with the company and some are still with us today.

Похожие товары

Новые поступления

Новинки товаров от производителей по оптовым ценам