Сохранить в закладки 10000001145892:
15mm~25mm Split keypad sts prepaid water meter visibly monitor token for residence pulse read display

STS PREPAID WATER METER
Caliber-DN15~25


System function
Our STS product system functions include water price setting, rate setting, quick search and recharge,Print receipts, reset balance, change password, query history, overdraft,etc.

Brief Introduction
STS prepaid water meters is an STS Standard compliant, split keypad type, automatically valve controlled prepaid water meter.
The integrated keypad is offered to enter recharge TOKEN and check information by short codes.
Stronpay water vending software could be integrated to local Mobile Money Payment Platform like M-PESA,Alipay,MTN,Airtel,etc.
So users can top up PAYG water by mobile money without leaving the house.
Pay as you go function and excellent anti-tamper feature like Magnetic field protection to help uitilities for revenue water protection and consumer managerment.
Customer Interface Unit (CIU), is offered to enter recharge tokens and information by short codes.
The CIU is installed inside customer's house,when the meter is kept away from customer's reach in locked boxes or houses.
Technical Index And Specifications
1.Nominal Values
| Operation | 0.1~30℃ |
| Storage | -40℃to+85℃ |
| Meter shell Protection Rate | IP68 |
2.Metrological Parameters-Directive 2004/22/EC(MID)&EN 14154:2007
| Nominal size | Dn | mm | in-line | ||
| 15 | 20 | 25 | |||
| Maximum flow | Q4 | m³/h | 3 | 5 | 7 |
| Ratio"R" | Q3/Q1 | 100 | 100 | 100 | |
| Permanent l flow | Q3 | m³/h | 1.5 | 2.5 | 3.5 |
| Transitional flow | Q2 | 0.12 | 0.20 | 0.28 | |
| Minimum flow | Q1 | 0.03 | 0.05 | 0.07 | |
| Minimum reading | m³ | 0.0005 | |||
| Maximum reading | 99999 | ||||
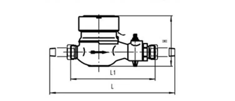
3.Dimensions And Diagram

| Nominal size | Length | Width | Height | Connecting |
| mm | D | |||
| 15 | 165 | 101 | 124 | G3/4B |
| 20 | 195 | 101 | 124 | G1B |
| 25 | 225 | 101 | 124 | G5/4B |
Note: dimensions technical pararmeters are subject to physical products or ordering.
Basic Functionality
| Function | Details |
| Prepayment | STS Standard, recharge by input 20digits TOKEN. |
| Low credit alarm | Alarm value can be set by inputting corresponding TOKEN. |
| Prepaid and post-paid switch | Meter can be switch to prepaid mode or post-paid mode. |
| Non-return valve | Non-return valve inside for preventing back-flow. |
| Anti-tamper | Meter will automatically close the valve after detection of magnetic field and open cover event. |
| Step Tariff | Step Tariff can be set by inputting corresponding TOKEN. |
| Overdraft Collection | Non-Revenue water(Overdraft) can be collected day by day or month by month. |
| Communication | The meter is available with AMl system through GPRS or Bluetooth 4.0 on request. |
| Information Inquiry | Consumer could check the data like Credit Remain,Total Purchased and Total Credit by input the short code. |
| Liquid Crystal Display | ![]() |
Pay As You Go Water Vending Process

CIU
Tokens can only be keyed in when the ClU is powered on,when the ClU powered on and it read water meter first, if read success the ClU display the water meter information.ric type water meter, which comply with OIMLR49,ISO4064.And conforms to STS standard protocol.
Water Purchase
(1)Please go to the local selling water business hall.
(2)To provide operator meter ID number ( ID number printed on the water meter).
(3)Tell the operator how much you want to buy and prepay.
(4)On the receipt,you can get a printed TOKEN "20(Digits)"
Smart Water Metering Solution
Solution 1: Prepaid water meter
End-users use IC cards to pay water bills.When the balance in the water meter is 0,the water meter closes the valve and stops the water supply.
Solution 2:AMl water meter system
At present,mature models of wireless remote meter reading in my country are divided into Lora and GPRS.The system could achieve the water consumption of all users who instal water meters can be monitored via cloudy platform in office.Not only can the data be sent to the service olatforrm of the water supply company in the form of data docking,but also the abnormal water consumption meter can be alarrmed.
Solution 2:Pipe Leakage system
Using high precision ultrasonic water meter in water supply main pipe.( its accuracy can reach R400. Even a small flow of water used by a single resident can be measured.) We needn't to go to the site to read the meter.only need read the total water consumption in the area from the manage computer.Then we can use the water consumption of the main pipeline to subtract the water consumption of the sub-pipeline to contirm the pipeline leakage and leakage rate in the area.


Catering for all your water metering needs:
As the China’s leading manufacturer and distributor with more than 12 years experiences, we have developed a comprehensive water meter range for the Commercial ,agriculture, Industrial and Domestic market.Moving with the changes in technology and precision metering has been the mission of the company since its genesis and we are adding metering that can support water sustainability using.Since 2009, we start the export business to the whole world, and hope more and more countries and region people can save the water with us together.Nowadays, SH-MECH Meters have already become one the main important exporter for water flow meters in China.
We will provide your product to your hand in timely manner and keep you informed of process with your order throughout the whole sales.From the strictly QC inspection, strictly cost control and five star quality services, we believe that you will own a more solution on water metering.
You really deserved a high precision and quality water flow meter!
Новинки товаров от производителей по оптовым ценам