Жесткая печатная плата производитель сборочных плат Заводская индивидуальная электронная разработка печати онлайн 296,74 ₽ - 456,52 ₽
Индивидуальная обработка штамповки автомобильных деталей интерьера из нержавеющей стали по чертежам 114,13 ₽ - 342,39 ₽
Электронные детали по индивидуальному заказу FR4 двухслойная печатная плата жесткая производитель бытовой электроники завод 296,74 ₽ - 456,52 ₽
Bluetooth динамик Pcb производственный сервис Pcba производитель завод-производитель 296,74 ₽ - 456,52 ₽
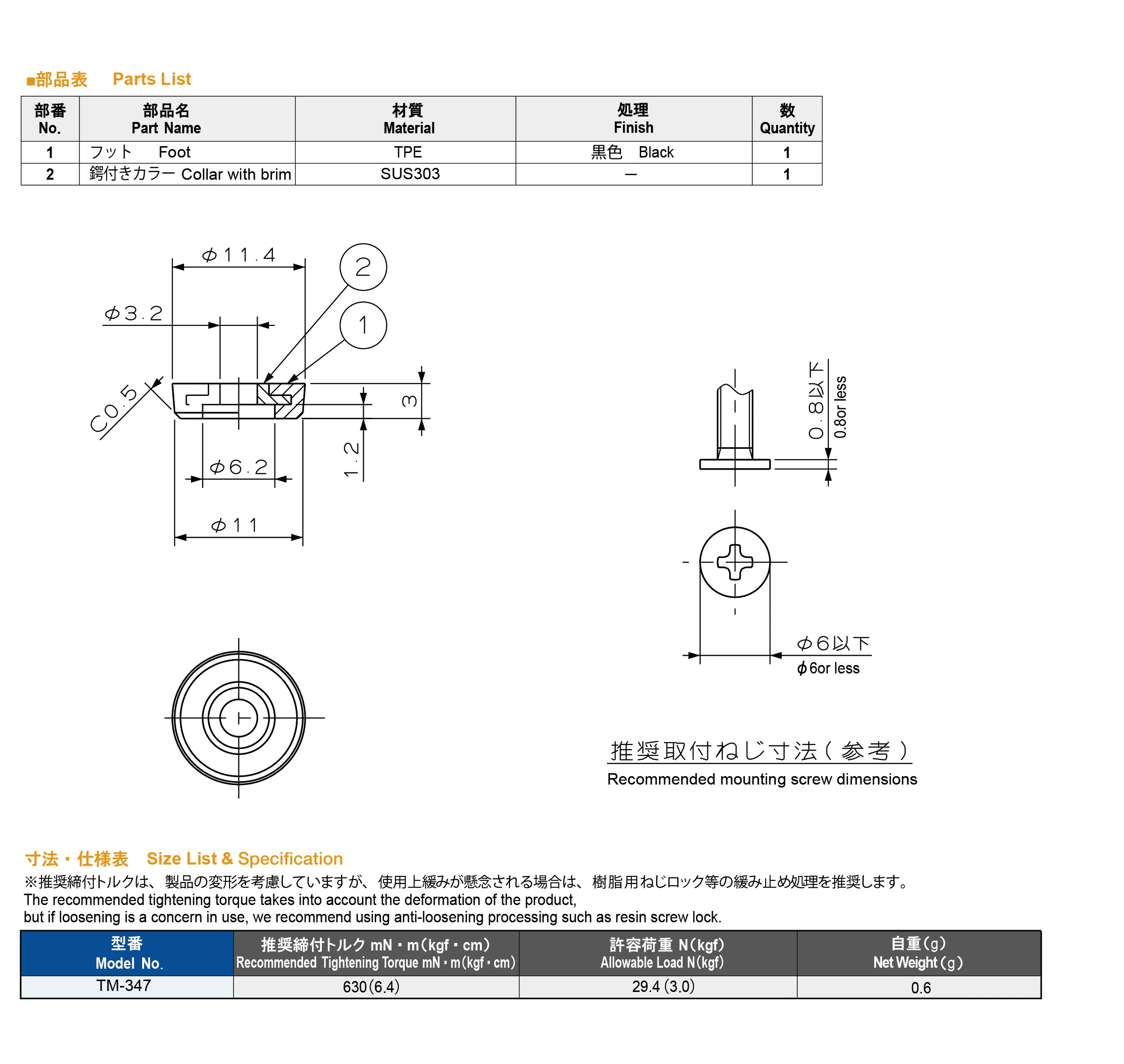
TM-298 визуально увеличивающие рост с помощью зарядного устройства вниз Лифт скольжение RoHS10 RoHS2 Япония 2d 3d cad высокого качества
Смотровое стекло пищевого класса крышка люка с фланцем из нержавеющей стали смотровым стеклом индивидуальное фланцевое зеркало 11 412,84 ₽ - 17 119,26 ₽
Hantek щупы осциллографа автоматический Тестовый Кабель Ht30a Bnc к банану двойная Банановая головка многоцелевое автомобильное 3,10-3,44 $
Горячая распродажа ручная работа традиционная деревянная урна для домашних животных квадратная коробка золы собак и кошек персонализированная Лучшая цена
Промышленная серия CL Бесшумная цепь стальная зубчатая Фланцевая контактная звездочка соединяющая бесшумные цепи 1-1,50 $
Irdmco экологически чистый минималистичный прямоугольный деревянный ящик для хранения стеллаж поделок и детских игрушек Домашняя мебель гостиной
Прямая Продажа с фабрики 65 см Модернизированный подвесный стерео голографический проектор светодиодный вентилятор высокой четкости экран 3D дисплей 155-185 $