Китайская высокопроизводительная машина для литья под давлением вакуумный насос изготовления поддонов яиц продажа
49 380,00 $ - 49 870,00 $
Сохранить в закладки 11000008463593:
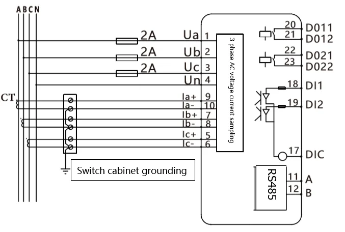
Technical Parameters - Compere KPM37 WIFI Energy Meter With 100A CTs 3 Phase Watt Meter For Energy Monitoring System | ||||||||
accuracy class | Voltage: 0.2; Current: 0.2; Frequency: 0.02; Power Factor: 0.5 | |||||||
Active Power: 0.5S; Reactive Power: 2.0 | ||||||||
Active Energy: 0.5S; Reactive Energy: 2.0 | ||||||||
Input | Rated Value | Voltage: 57.7/100V, 220/380V,380/660V | ||||||
Current: 5A (0~6A) | ||||||||
Overload | Voltage: Sustained Overload: 1.2 times of the rated value | |||||||
Momentary Overload: 2 times of the rated value, allows 1s | ||||||||
Current: Sustained Overload: 1.2 times of the rated value | ||||||||
Momentary Overload: 20 times of the rated value, allows 1s | ||||||||
Frequency | 45-60Hz | |||||||
Functional Module | Pulse Output | 1 | ||||||
Interface | RS485 / WIFI / 4G/ LORA Modbus-RTU,DL/T645-2007, MQTT, 1200~38400bps | |||||||
Power Supply | Working Range | AC: 85-265V; DC: 80-300V | ||||||
Consumption | < 0.5VA per phase | |||||||
Working Condition | Temperature | Operating: -25°C~+70°C. Storage: -30°C~ +75°C | ||||||
Humidity | 5%~95% No condensation | |||||||
Altitude | <3000m | |||||||
Dimensions | 75*88*74mm | |||||||
Новинки товаров от производителей по оптовым ценам























