Аксессуары для бульдозера D60A-8 вентилятор 600-645-7850 регулирующий клапан гидравлического насоса 11 682,31 ₽
Оптовая продажа высококачественного бульдозера Заводские аксессуары D65E-12 гидравлического насоса 705-51-20370 регулирующий клапан вентилятора двигателя 10 251,82 ₽
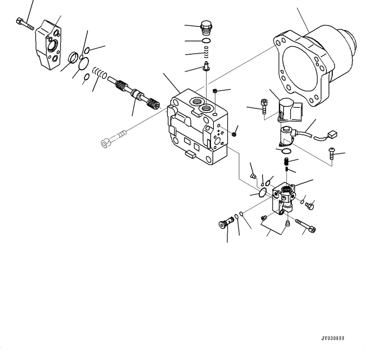
708-1l-00350 708-1l-00320 D61-15 H.S.S в сборе 708-1L-00350 708-1L-00320 708-7L-00060 166 890,08-178 810,80 ₽
OEM подходит для EC330C EC340D EC360B EC380D Запчасти экскаватора 14533496 высококачественного вентилятора VOE14533496 35 166,13-41 722,52 ₽
Оптовая продажа высококачественных аксессуаров для бульдозера D275A-5 регулирующий клапан 195-22-75101 гидравлический насос с вентилятором 10 847,86 ₽
Гидравлический насос WA470-6 погрузчика WA460 WA480 в сборе 708-1S-00970 7081S00970 7081G00060 7081W00882 3 576,22 ₽
D375A-6 бульдозер гидравлический насос в сборе 708-1S-00390 7081s00390 оригинальный вентиляторный 143 048,64-214 572,96 ₽
Светлая Золотая морская солнечная энергия ландшафтное украшение постмодерн минималистский стиль чистая ручная роспись маслом 24x3 1 дюйм/60x80 35-53 $
Автоматизированная складская система автоматического хранения в Гуанчжоу Eyda с эффективными стеллажами и 10 000-35 000 $
Декоративный чехол для PS5 Сменный Чехол консоли пластины Playstation5 пылезащитный с защитой от царапин 7,50-7,70 $
Лучшее качество детские подгузники для сухих подгузников новорожденных размер 2 4 и большие доставка или 3 $