Индивидуальные круглые люки квадратные дождевые воды оцинкованные/оцинкованные стальные крышки люков
985,00 $ - 1 190,00 $
Сохранить в закладки 1329049495:
LUNYEE DC MICRO MOTOR
High power and high speed dc micro motor
Typical Applications
Fan, Home appliance, Office appliance, CD/DVD-rom, Camera
Specification Chart
| Model | Operating Voltage | Rated Voltage V | No load Speed rmp | No Load Current | Max.Speed rmp | Max.Current A | Max.Torque mN.m | stall torque g.cm |
| RS540SH-5045 | 6.0-12.0 | 7.2 | 10170 | 0.85 | 8390 | 4.04 | 21.75 | 1278 |
| RS540SH-7520 | 3.6-7.2 | 4.8 | 15500 | 2 | 12860 | 9.77 | 22.31 | 1340 |
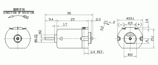
Dimension

Packing

Welcome to contact us to get more detailed products specs.
Please feel free to inform us your reqeustPOWER,VOLTAGE,SPEED,TORQUE and QTYto get our information about sample, price, packing, leading time and any other related informations!
//www.lunyee.com
Новинки товаров от производителей по оптовым ценам