HDR 2530 индикаторной панели DR цифровой рентгеновского излучения машина

Сохранить в закладки 1600230627840:


Цена:50 000,00 $ - 70 000,00 $*

Количество:

  • В избранное

Описание и отзывы

Характеристики



information display


_01 .png


HDR-2530 DR Flat Panel Digital Radiation X-ray Machine Detector


HDR-2530.png 


Features:


 Meet the latest NB/T 47013.11-2015 standard


 Digital transformation of X-ray real-time imaging detection system


 On-site portable digital imaging inspection


 16bit high dynamic range


 120μm pixels, high resolution 4.0lp/mm


 CsI cesium iodide efficient X-ray image conversion


 25cmX30cm imaging field of view


1-Industrial X-ray digital flat panel detector


Basic parameters:


























































Model



HDR-2530



Pixel size



120 um



A/D conversion



16bit



Scintillator



CsI:TI or GOS



Dynamic Range



>12000:1



Limit spatial resolution



4.0lp/mm



Imaging area



250mm x 300mm



Pixel matrix



2560x2048



Read rate



2s



Energy range



20-320kV



Dimensions



333mm x 282mm x15mm



Weight



2kg



Data interface



Gigabit



2——Digital image processing and enhancement software


 HDR-2530 1HDR-2530 2 


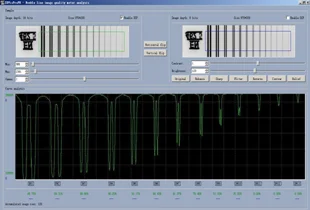
Image enhancement and storage system integration Currently the most practical processing and filtering functions are specially designed for X-ray real-time imaging systems, which can increase the sensitivity of processed images by 0.6%-0.8% on average. With the help of high-speed Ethernet port, it can help you obtain static images and dynamic images at the same time, and save them in 8/16bit image format, and can be directly burned to DVD discs for permanent storage, which is convenient for archiving and review of test data, while saving test Cost and archive space.


Tablet connection and control


 Gigabit network flat panel connection, and prompts the connection status and failure


 Offset/gain/bad pixel correction


 Offset/gain/bad pixel correction, whether to overlap or not can be selected


 Display ratio prompt


 Current frame rate reminder


 Software processing progress display


 Pixel gray value display


Real-time image display and processing


 Real-time image ROI fast grayscale mapping, which is convenient for fast observation of effective images of the region of interest


 Real-time display integral noise reduction: 2/4/8 frame optional


 Real-time display algorithm processing: negative film/color/binarization


 Real-time display of image sharpening and enhancement


 Image integration collection: 8/16/32/64/128/256 frame overlay


 Continuous video recording: optional compression format


 Picture/video naming and name automatic sequence compilation


 0-65536, 16bit gray scale adjustment


 Gamma/contrast/brightness/threshold adjustment


 Picture information mark, multiple contents are optional


Static image processing


 ROI fast grayscale mapping, which is convenient for fast observation of effective images of the region of interest


 bmp / png / jpg / tiff(8bit/16bit) / RAW / his / dcm file reading


 Grayscale/negative film/false color/binarization/sharpening/enhancement algorithm processing


 Magnifying glass, 1-5 times magnification observation


 Picture flip


 Gamma/contrast/brightness/threshold adjustment


 Size calibration and measurement, and the required information can be marked on the picture


Duplex wire penetrameter Automatic verification


Meet the NB/T 47013.11-2015 "Non-destructive testing of pressure equipment X-ray digital imaging testing" standard requirements, automatic verification of the dual-filament image quality meter, and can determine SNR.


 


_05_01 .png

















_05_02_01 .png_05_02_02 .png
_05_03_01 .PNG_05_03_02 .png
_01 .png_02 .png

_05_05 .png


HUATEC Group is a reliable manufacturer and supplier of testing instruments in Beijing China. HUATEC Group combines all the R/D and production advantage of all its own subsidiaries, takes advantage of its years marketing and sales experience in global market, contributes to offering most qualified competitive products and service to international markets. 


HUATEC Group products are composed of all kinds of metal and non-metal testing equipments, such as portable hardness tester, micro hardness tester, shore durometer, vickers hardness tester, Rockwell hardness tester, Brinell hardness tester, portable X-ray flaw detector, mobile X-ray flaw detector, Real-time X-ray image flaw system, holiday detector, digital portable eddy current electrical conductivity meter, digital ultrasonic flaw detector, coating/painting thickness gauge, ultrasonic thickness gauge, vibration tester, surface roughness tester, profile projector, etc, and all of their accessories such as ultrasonic transducer, test block, IQI, lead screen, densimeter, film viewer etc.


_07 .PNG


We have more than 15 R&D engineers in our group company, who make sure the produced product to be best quality. And more than 10 new products will be developed every year.


_09 .png


Q1. How about your samples?


Yes, we can serve you our samples for your test (Freight collect). You also can get a refund of the freight cost when the bulk order is placed.


Q2. How much for the freight?


It depends on your area, we will use DHL, FedEx and EMS bulk service, it had discount as normal express service. And we can return freight while you place order.


Q3. Do you have discount for large quantities?


Yes, It not only depends on your order quantity, but also the item you booked.


Q4. What about delivery?


Prompt shipment after receipt of order confirmation for regular products.


_11 .png


We can offer the free samples


We can accept OEM/ODM


The mass production is accordance with the samples


We can packed the production well and safe.


We can answer your questions in time after sale




Похожие товары

Новые поступления

Новинки товаров от производителей по оптовым ценам