Автоматический промышленный робот Motoman AR2010 с другими дуговыми сварочными устройствами RD350S для сварки в качестве сварочного аппарата
2 698 073,73 ₽
Сохранить в закладки 1600276106972:
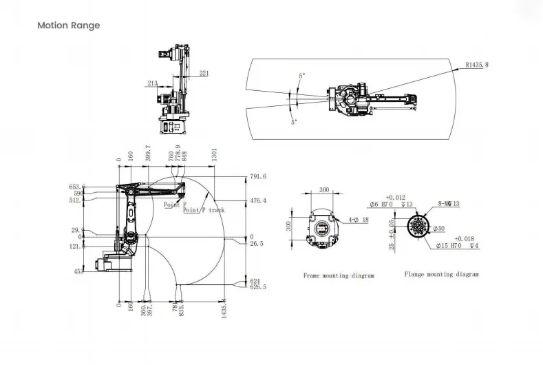
TKB4600 6 axis Industrial Robotic Arm automatic pack and place robot manipulator stacking handing robot 8-12kg



| Payload | 8-12KG |
| Arm reach | 1435mm |
| weigh | 175KG |
HOT SALES:Click on the picture to enter the relevant introduction





Новинки товаров от производителей по оптовым ценам