Китай пожарный дым система ОВКВ газовые поршни низкоскоростной провод 24 В 230 управление Демпферы двигателя приводы

Сохранить в закладки 1600424133037:


Цена:3 834,60-4 343,17 ₽*

Количество:

  • В избранное

Описание и отзывы

Характеристики





Products Description




1. General Instruction Information
ILH201 series motorized valves are used to control the terminal waterway of air conditioners,Which consist of thermostats that can control the motorized valves, and use speed-down devices and the reposition spring to turn the valves on/off so as to control the media in the pipe and then to control the temperature automatically with the help of the air sent by the fan coil units


2 . Features
stainless base with aluminum case
Drive by completely-sealed psychomotor with stainless steel reposition spring
Motor Voltage 220 + 10 % VAC 50 / 60HZ
Valve Type : Normally Closed 2-way valve and 3-way diverting valve
Customer zed motor voltage and valve body connection type


3 . Function and Display
1 . Power Supply : AC220V + 10 % 50 / 60HZ
2 . Working medium : hot and cold water
3 . Pressure : 1 . 6MP
4 . Work Condition:
Temperature around : 0-65°C
Humidity range : 10-90% RH
Pipeline Water Temperature : 2-94°C
5 . See the list below for Model , Specification Connection Type


Flow Capability:


Model
Caliber
2/3-way
Kv Rating
Close-Off(psi)
ILH201-215
1/2(15mm)
2
2.0
30
ILH201-220
3/4(20mm)
2
2.6
25
ILH201-225
1(25mm)
2
2.8
20
ILH201-315
1/2(15mm)
3
2.0
30
ILH201-320
3/4(20mm)
3
2.6
25
ILH201-325
1(25mm)
3
2.8
20


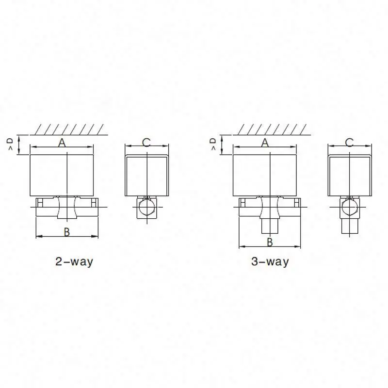
4. Dimension (mm)




Valve Body Sizes


Model
A
B
C
ILH201-215
87
81
60
ILH201-315
87
81
60
ILH201-220
87
85
60
ILH201-320
87
85
60
ILH201-225
87
92
60
ILH201-325
87
92
60


5. Operation & Installation
1. Different pressure should be controlled within the range allowed.
2. Install the valve in the places easy for installation and maintenance.
3. Horizontally install the valve in the places void of moisture.
4. When to install the 2-way valve, the B end is for water to flow in,
(with A and B marked under the valve).
5. When to install the 3-way valve, the medium will enter from under of the valve
(no sign at this end). Note: End B is normally closed and end A is normally open.
Please connect end B to the main pipe and end A to bypass pipe.
Please refer to Fig. 3 when to install the valve.




When to manually start the valve, please carefully push the manual haft to outside, and when
the haft is over the slot, then softly push it down and then the valve is in the open condition.
And when to push the haft upward, the valve will return to its position at the help of its own
spring. At this time, the valve is now in normal condition again.


Product Category




Company Profile




About Company






Why Choose Us




Certifications








FAQ


Q1 : How long is your delivery time ?
A1 : Samples need 3 days , mass production time need 5-7days,It is according to ordering quantity
Q2 : Can my logo be printed on PHC products ?
A2:Yes,your logo can be printed on the PHC products.
The MOQ of Logo outer packing pattem customization is 100 pieces
Q3 : Do you provide samples ?
A3 : Yes , we could offer the sample free of charge , but need to pay the cost of freight
Q4 : What are the advantages of your product ?
A 4 : We offer 24 months warranty to our products and have a completepre-sale and after-sales service
Q5 : What is your mode of transportation ?
A 5 : We accept ship by TNT , DHL , Fedex , UPS or by sea . Air shipment needs 3-6 days and sea shipping needs 30-40 days , depending on the destination.


Title goes here.
Semi-Automatic PET Bottle Blowing Machine Bottle Making Machine Bottle Moulding Machine
PET Bottle Making Machine is suitable for producing PET plastic containers and bottles in all shapes.


Похожие товары

Новые поступления

Новинки товаров от производителей по оптовым ценам