Мягкий стартер двигателя 380 В для трехмерного кондиционера с лошадиной мощностью менее 22 кВт снижения пускового тока на 60%

Сохранить в закладки 1600435757673:


Цена:140,00 $ - 145,00 $*

Количество:

  • В избранное

Описание и отзывы

Характеристики



Product Description




Three-phase Soft-starter RJ-RSSU380KW22 for Air Conditioner and Motor
(Three-phase 380VAC)


Introduction:

The RUIJING soft start controller - RJ-RSSU380KW22 provides an effective solution in reduction of start-up current, typically up to 70%, but still provides full startup torque for compressors and motors. Across the line starting of air-conditioner compressor or induction motors is accompanied by inrush currents up to 7-8 times higher than running current, and starting torque up to 3 times higher than running torque. The increased unnecessary torque results in sudden mechanical stress on the machine which leads to increased wear and higher service costs and reduced service life. Moreover, the high inrush current and current peaks may stress the power supply system to increased mains and generator loads which may lead to voltage dips results in breaking down of other valuable equipment or system function.


RJ-RSSU380KW22 is an embedded design air-conditioner (for single phase power system) soft start controller. It regulates the start-up voltage of the compressor/motor intelligently to effectively reduce the inrush and surge current while starting-up, thus consume much less power from the public utility network or on-site AC power supply system but still provides full startup torque for compressors and motors. 


RJ-RSSU380KW22 effective limits the inrush current and so improves stability of the power supply and reduces transient voltage drops that may affect or break down other loads. This will eliminate the need of over dimension of the power supply system which results in reduce capital expenditure investment in power supply capacity, charge meter, circuit breaker and power wire line capacity etc..and extend the service life of the motor or compressor effectively.


RJ-RSSU380KW22 is suitable for all three-phase air conditioner and heat pump and motor with horse power less than 22kw


Features:
Limits inrush current
Eliminates current surges & voltage drops
Extends motor/compressor service life with built-in electronic overload protective relay
Integral bypass contactor reduces heat generation
Produces smoother starts and stops by controlling torque
Reduces vibration and mechanical damage
Relieves shock and drive train stress on startup
Easy to wire and install and decreases equipment downtime
High reliability and long life


Specification:


Electrical:

Applicable compressor power: 380V/22KW/3PH (Rated current below 40A)

Operating Voltage Range: 340~460VAC
Control voltage: 220VAC(RJ-RSSU380KW22-L2)
Control voltage: 380VAC(RJ-RSSU380KW22-L3)
Rated operational current: 40A
Starting current: ≤120A/10S (Rated operating current within 3 times)
Surge current resistance: 300A/300mS
Depletion current: ≤22mA
Dissipation power: <5VA
Soft start time: ≤10s
Performance period: 45 thousand hours (within rated operating temperature range)
Number of starts: 100 thousand times (normal environment, the interval is not less than 3 minutes)


Environment:
Operating temperature range: -20~+65℃
Flame retardation: Insulating materials have flame retardant properties
Relative humidity: 0-95%
Shock resistance: 200m/s2 11ms
Anti-knock: 10~55mm (double amplitude 1.5mm)
Rust-resisting property: Each metal component can withstand salt spray test for at least 24 hours

Mechanical:
Size: 222*162*100mm (L*W*H)
Weight: about 1.65 kg


Application:
RJ-RSSU380KW22 is suitable for all three-phase air conditioner and heat pump and motor with horse power less than 22kw(380V 30HP)






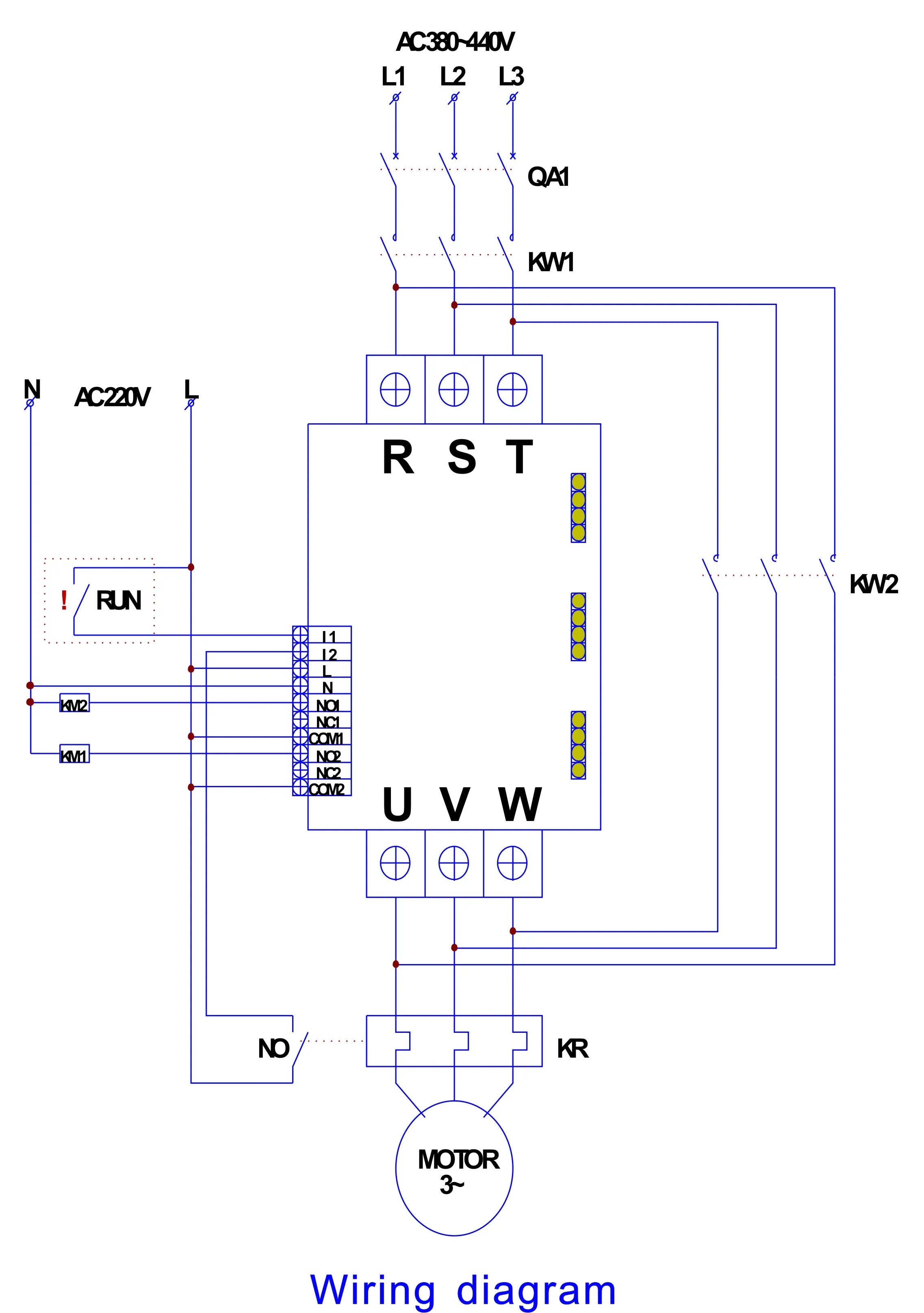
Installation Picture


Installation Picture  I

Installation Picture 2


Installation Picture 3



Our Company


Zhuhai Ruijing Electronic Technological Co., Ltd. is located in the beautiful coastal city of Zhuhai City, is a company with independent intellectual property rights, science and technology enterprise development strength and technology advantages. Since its inception, we have been focused on air conditioning and heat pump start control technology and relay protection technology, photoelectric communication technology of intelligent meter and other field research and products development, production, sales and service.


We have skilled and innovative R & D team, according to customer demands, our R & D team can develop reliable quality and advanced technology products, at the same time our R & D team can also provide high quality and efficient service. We are also actively with domestic colleges to carry out research cooperation, have obtained a number of national qualification certifications such as national high-tech enterprises, intellectual property management system, 7 software copyrights and 12 patents and so on.





Certifications




Package & Delivery




FAQ


1. Are you a manufacturer or a trade company?
We are a manufacturer with more than 1,000 sq.m.

2. What is your MOQ?
Any quantity is acceptable for your order. And the price is negotiable for large quantity.

3. Where is your company?
We are located in 2/F, Building 2, No.12 Futian Road, Qianshan Industrial Zone, Xiangzhou District, Zhuhai City, Guangdong, China. You are very welcome to visit our company.

4. Why should you choose us?
Reliable--we have 10 years production experience.We've served thousands of clients, and products have been sold to many countries.
Authority--We have achieved have obtained a number of national qualification certifications such as national high-tech enterprises, intellectual property management system, 7 software copyrights and 12 patents and so on.

5. What's your lead time?
For sample, 3-5 days For big order, 10-15 days

6. What's your payment term?
We accept TT and Alibaba Trade Assurance.


7. What is your after-sale service?

We offer 100% guarantee on our product and agree 1:1 replace any defective products.



Похожие товары

Новые поступления

Новинки товаров от производителей по оптовым ценам