Производство Китай, качественная Защитная пленка для автомобиля, наклейки для автомобиля
350,00 $ - 380,00 $
Сохранить в закладки 1600523665482:
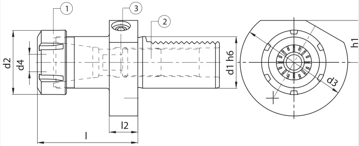
Size | Decription | d1 | d2 | d3 | d4 | h1 | l1 | l2 | l2 |
E4-16x16 | VDI16-ER16-44 | 16 | 32 | 40 | 1-10 | 18 | 40 | 13 | 24 |
E4-16x20 | VDI16-ER20-44 | 16 | 35 | 40 | 1-13 | 18 | 44 | 13 | 34 |
30 | |||||||||
E4-20x16 | VDI20-ER16-44 | 20 | 32 | 50 | 1-10 | - | 40 | 18 | 40 |
E4-20x20 | VDI20-ER20-59 | 20 | 35 | 50 | 1-13 | - | 59 | 18 | 30 |
E4-20x25 | VDI20-ER25-65 | 20 | 42 | 50 | 2-16 | - | 54 | 18 | 40 |
E4-20x32 | VDI20-ER32-67 | 20 | 50 | 50 | 2-20 | - | 67 | 18 | 40 |
60 | |||||||||
E4-25x16 | VDI25-ER16-44 | 25 | 32 | 58 | 1-10 | 25 | 44 | 18 | 44 |
E4-25x25 | VDI25-ER25-58 | 25 | 42 | 58 | 2-16 | 25 | 57 | 18 | 55 |
E4-25x32 | VDI25-ER32-63 | 25 | 50 | 58 | 2-20 | 25 | 62 | 18 | 60 |
75 | |||||||||
E4-30x16 | VDI30-ER16-48 | 30 | 32 | 68 | 1-10 | 28 | 48 | 22 | |
E4-30x20 | VDI30-ER20-59 | 30 | 35 | 68 | 1-13 | 28 | 59 | 22 | |
E4-30x25 | VDI30-ER25-57 | 30 | 42 | 68 | 2-16 | 28 | 57 | 22 | |
E4-30x32 | VDI30-ER32-78 | 30 | 50 | 68 | 2-20 | 28 | 62 | 22 | |
E4-30x40 | VDI30-ER40-80 | 30 | 63 | 68 | 3-30 | 28 | 70 | 22 | |
E4-40x20 | VDI40-ER20-59 | 40 | 35 | 83 | 1-13 | 32.5 | 59 | 22 | |
E4-40x25 | VDI40-ER25-57 | 40 | 42 | 83 | 2-16 | 32.5 | 70 | 22 | |
E4-40x32 | VDI40-ER32-78 | 40 | 50 | 83 | 2-20 | 32.5 | 84 | 22 | |
E4-40x40 | VDI40-ER40-80 | 40 | 63 | 83 | 3-30 | 32.5 | 75 | 22 | |
E4-50x25 | VDI50-ER25-67 | 50 | 42 | 98 | 2-16 | 35 | 67 | 30 | |
E4-50x32 | VDI50-ER32-92 | 50 | 50 | 98 | 2-20 | 35 | 84 | 30 | |
E4-50x40 | VDI50-ER40-80 | 50 | 63 | 98 | 3-30 | 35 | 90 | 30 | |
E4-60x32 | VDI60-ER32-78 | 60 | 50 | 123 | 2-20 | 42.5 | 78 | 30 | |
E4-60x40 | VDI60-ER40-80 | 60 | 63 | 123 | 3-30 | 42.5 | 75 | 30 | |
E4-80x40 | VDI80-ER40-100 | 80 | 63 | 158 | 3-30 | 55 |
Новинки товаров от производителей по оптовым ценам





