Переменный/постоянный ток 220 В диафрагма среднего давления съемный Электрический магнитный клапан соленоидный зажимной

Сохранить в закладки 1600527884560:


Цена:378,29 ₽ - 476,98 ₽*

Количество:

  • В избранное

Описание и отзывы

Характеристики



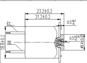
Product Description


Model
SFO-0630V-01
Place of Origin
China
Brand Name:
Sifan
Temperature range
-5℃-155℃
Relative humidity
5%-85%
Position
Level
Load
Air pressure 300 mmHg
Type
Normally closed
Insulaiton level
CLASS A
The minimum value of operated voltage
DC 3.5V, Deflate normally at a pressure of 150mmHg














Recommend Products




Company Information








Our Services




Packaging & Shipping




FAQ




contact us




Похожие товары

Новые поступления

Новинки товаров от производителей по оптовым ценам