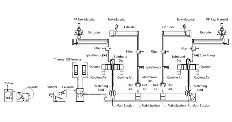
Горяч-продавая спанбонд нетканый материал делая машину аэродинамическим способом из расплава ткань 150 000,00 $
Мягкая Термическая линия по производству ватных нетканых материалов для машины производства стеганых 350 000,00-400 000,00 $
Прямая Продажа с фабрики 65 см Модернизированный подвесный стерео голографический проектор светодиодный вентилятор высокой четкости экран 3D дисплей 155-185 $
Умный цифровой электронный ручной инфракрасный лазерный термометр для ветеринарного и медицинского мониторинга человека 5-10 $
Командная версия 24-скоростной ультралегкий карбоновый шоссейный велосипед Гоночная рама и комплект колес
55203781 46740344 55181201 55266538 зубчатый шкив коленчатого вала для FIAT 500 BRAVA BRAVO DOBLO PANDA PUNT0 3-3,70 $