Клапан бабочка типа ВКЛ ВЫКЛ небольшой поворотный клапан 90 градусов SS316 dn200 с пневматическим приводом 1 6 МПа

Сохранить в закладки 1600866965963:


Цена:*

Количество:

  • В избранное

Описание и отзывы

Характеристики



Product Description




Size Range
2"~12", DN50~600
Acting Mode
Double Acting, Spring Return (Single Acting)
Operating Pressure
1.6MPa
Air Supply Pressure
2.5 to 8 bar
Lifespan
1,000,000 (1 Million) Times
Angle of Rotation
90° ±4°
Body Material
Cast iron, SS304, SS316, SS316L
Disc Material
Cast iron, Stainless Steel
Sealing Material
NBR, EPDM, VITON, PTFE
End Connection
Wafer, Flanged, Lug
Applicable Media
Control of Water, Air, Gas, Oil, Liquid, Steam
Optional Actuation
Handlever, Electric Actuated, or Pneumatic Actuated
Optional Accessories
Namur Solenoid Valve, Limit Switch, F.R.L, Position Indicator, Manual Device
Application
Food & Beverage, Water & Wastewater, Ultra Pure Water, Desalination, Chemical, Textile, Pharma


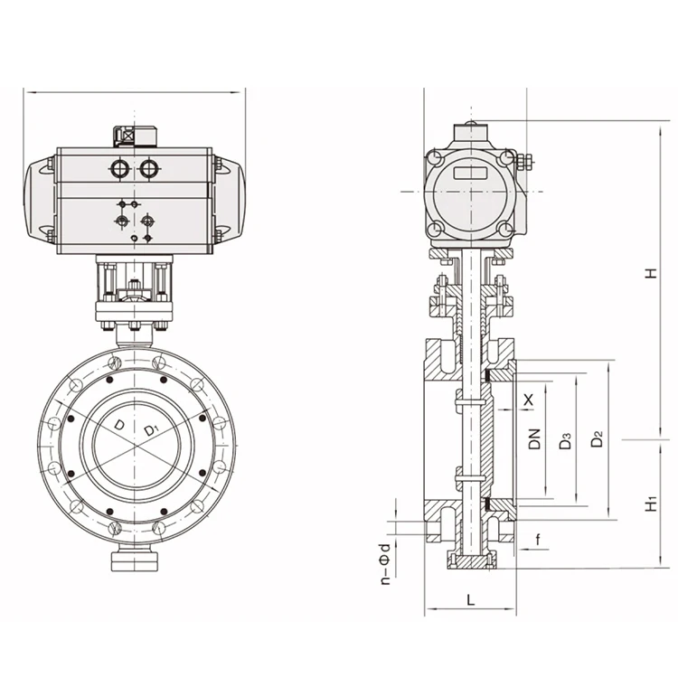
Specification


Pneumatic midline butterfly valve is composed of butterfly vaslve and FOLS series pneumatic actuator matching. It has strong function, small reference, light and pleasant, reliable performance, simple matching and large circulation ability. It is widely used in industrial automation control system of food, environmental protection, light industry, petroleum, fire fighting, air conditioning, water supply and drainage, papermaking, chemical industry, teaching, electric power and other industries.


Features
1. Design reasonable, unique structure, light weight, open and close quikly.
2. Operation torque small, easy operation.
3. Mounted in any position, and easy maintenance.
4. The seal part can be replaced, zero leakage of reliable seal performance.
5. The seal material anti-aging, corrosion resistance, long life and other characteristics.


Design and Manufacturing Standards
Design and Manufacture: GB/T12238-2008
Connection Standard: JB/T 79.1-1994 ASME B16.10
Structure Length: GB/T12221-2005 ASME B16.5
Pressure Testing: GB/T13927-2008








Pneumatic Actuator
Transmission structure principles
When the compressed air enters the pneumatic actuator through Nozzle A (as shown in Fig 1), the air will drive the double piston straightly moving toward two ends ( cylinder head end) and the piston rack will drive the gear of the rotary shaft by 90 degrees counter-clockwise. In this case, the valve will be opened. At this moment, the air in both ends of pneumatic actuator is discharged through Nozzle B. On the contrary, when the compressed air entered both ends of the pneumatic actuator through Nozzle B (as shown in Fig 1), the air will drive the double piston to straightly move towards the middle position and the piston rack will drive the gear of the rotary shaft by 90 degrees clockwise. In this case, the valve is closed. At this moment, the air in the middle of the pneumatic actuator is discharged through Nozzle A. What is aforementioned is the transmission principle. According to users' needs, the pneumatic actuatorcan be equipped with transmissio.








Recommend Products




Company Profile




Packing & Delivery




Application




FAQ


1.How to use the electric actuator butterfly valve?
We have detailed product instructions to help you the use pneumatic valve.

2.What is the material of electric actuator?
The valve is made of aluminum alloy.

3.Are you a manufacturer or trading company?
We are manufacturer.

4.Can you do OEM&ODM ?
Yes, OEM is accepted. We will offer you a reasonable price as your requirement and make samples for you.

5.How long is your delivery time?
Generally it is 3-5 days if the goods are in stock. or it is 15-20 days if the goods are not in stock, it is according to
quantity.

6.Can I have a sample order?
Yes,we welcome sample order to test and check quality.Mixed samples are acceptable.

7.What is your terms of payment ?
Payment<=5000USD, 100% in advance. Payment>=5000USD, 30% T/T in advance ,balance before shipment.


Похожие товары

Новые поступления

Новинки товаров от производителей по оптовым ценам