Высококачественный насос для передачи 181199A1 подходит корпуса 580L 580M 580SL 580SM 585G 586G 588G 590L 19 872,65 ₽ - 24 288,80 ₽
Гидравлический насос 3538957M91 подходит для Massey Forguson 394 374 384 новой Голландии TL100 TL70 TL80 TL90 TL100A TL70A TL80A 8 832,29 ₽ - 11 040,36 ₽
Запасная часть 5152324 стопорного кольца 4 мм Thk подходит для нового. Holland TS100 TS110 TS115 TS90 5640 6640 1 104,04 ₽ - 1 656,06 ₽
Инжектор дизельного топлива 23670-30450 Форсунка Common Rail для двигателя Toyota Hilux 2KD 27 159,29 ₽ - 32 569,07 ₽
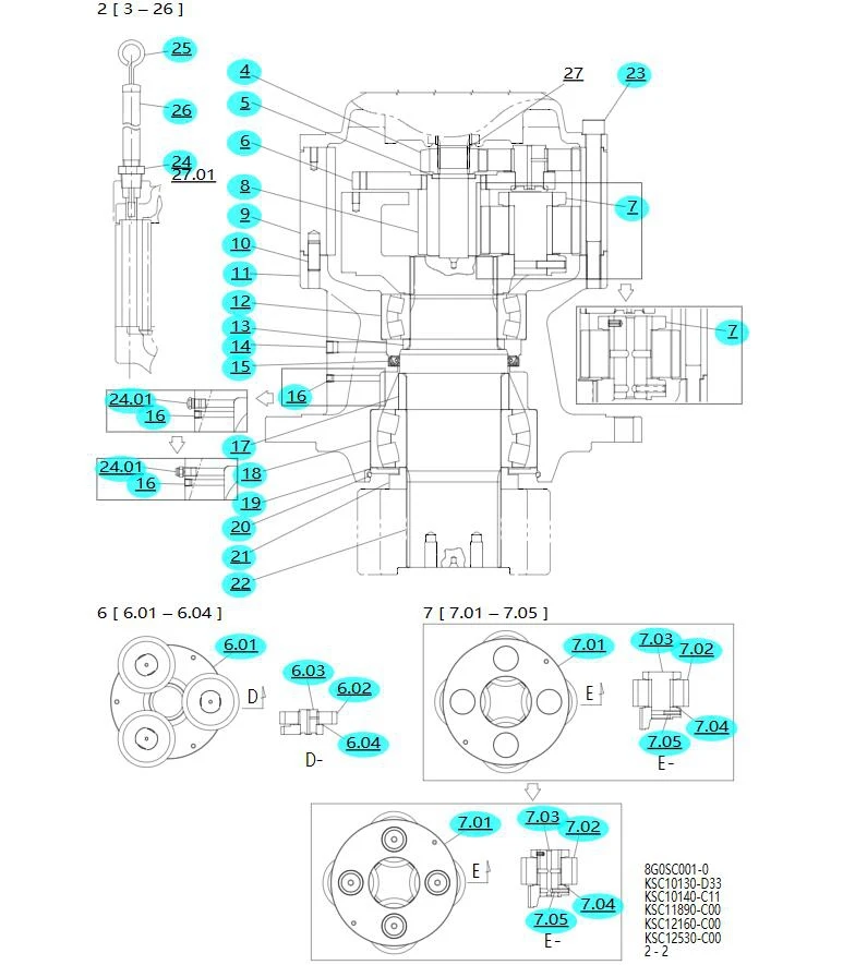
Высокое качество экскаватора роторный мотор коробки передач в сборе Редуктор Аксессуары 49 129,61 ₽ - 110 403,60 ₽
Запасная часть 87429970 насос для передачи подходит корпуса 580 см 586 г 588 590 м + 22 080,72 ₽ - 25 392,83 ₽
Лидер продаж редуктор для гусеничного редуктора GFT60/GFT80/GFT110 роторной буровой установки 218 599,13 ₽ - 276 009,00 ₽
Светлая Золотая морская солнечная энергия ландшафтное украшение постмодерн минималистский стиль чистая ручная роспись маслом 24x3 1 дюйм/60x80 35-53 $
Автоматизированная складская система автоматического хранения в Гуанчжоу Eyda с эффективными стеллажами и 10 000-35 000 $
Декоративный чехол для PS5 Сменный Чехол консоли пластины Playstation5 пылезащитный с защитой от царапин 7,50-7,70 $
Лучшее качество детские подгузники для сухих подгузников новорожденных размер 2 4 и большие доставка или 3 $