Антикоррозийные центробежные Трубопроводные насосы для перекачки химического масла
54 824,20 ₽ - 87 718,72 ₽
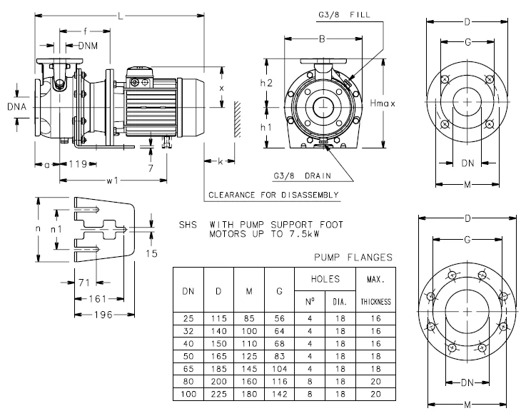
Водяной насос из нержавеющей стали мощностью 1 5 л.с. 77 м 8 6 м3/ч
7 806,97 ₽
Пульт дистанционного управления Heto европейский стандарт 220 В 60 Гц Контроллер расхода водяного насоса для пруда использования с насосами серии TT или PG
2 039,47 ₽ - 2 686,39 ₽
Новые поступления
Новинки товаров от производителей по оптовым ценам
Светлая Золотая морская солнечная энергия ландшафтное украшение постмодерн минималистский стиль чистая ручная роспись маслом 24x3 1 дюйм/60x80
35-53 $
Европейские антикварные простой Последние двойной металлической кровати
Автоматизированная складская система автоматического хранения в Гуанчжоу Eyda с эффективными стеллажами и
10 000-35 000 $
Декоративный чехол для PS5 Сменный Чехол консоли пластины Playstation5 пылезащитный с защитой от царапин
7,50-7,70 $
Лучшее качество детские подгузники для сухих подгузников новорожденных размер 2 4 и большие доставка или
3 $
Выключатель для формованного корпуса Schneider NSX100N 50KA AC 3P3D 25A TMD новая модель C10N3TM025