Сохранить в закладки 60770719829:
Product Description
Selection and use of cardan shafts
Cardan shafts being used for various applications. So it is impossible to select their size and predict their lifetime with reliable accuracy with just one general rule. The familiar failure probabilities for roller bearings apply to cardan shafts as well.
The size of the cardan shaft should be chosen so that its maximum momentary torque rating, is not smaller than the maximum torque to be transmitted in your application. Additionally parameters like deflection angle, speed, length, operating conditions (kind of drive, temperature, dust etc.) should be considered. Therefore please refer to our technical questionnaire. Our experts will evaluate your information given in this questionnaire, to find the best choice for your application. If you need more detailed calculations like determining lifetime, stability etc. please contact us.
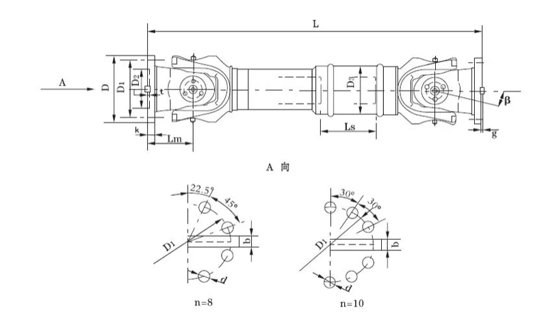
Product Pictures

Product parameters
Features of SWC series cardan shaft:
1.Gyration diameter:58~620mm
2.Nominal torque:0.15~1000KN*m
3.Max angular misalignment: 25o
4.Reasonable configuration,high safety and long service life
5.High transmission efficiecy:98.6%
DH:short stretch welding type
Cangzhou Tanso Couplings Co., Ltd.-Cangzhou Tanso Couplings Co., Ltd.
Type | D | Nominal torque Tn/ kN·m | Weary torque Tf/ kN·m | Angle β/ (°)≤ | LS | Lmin | D1 (js11) | D2 (H7) | D3 | Lm | n-d | k | t | b (h9) | g | Moment of inertia I/kg·m2 | Mass m/kg | ||
Lmin | Increase per 100mm | Lmin | Increase per 100mm | ||||||||||||||||
SWC180DH1 | 180 | 12.5 | 6.3 | 25 | 75 | 650 | 155 | 105 | 114 | 110 | 8-17 | 17 | 5 | - | - | 0.165 | 0.007 | 58 | 2.8 |
SWC180DH2 | 55 | 600 | 0.162 | 56 | |||||||||||||||
SWC180DH3 | 40 | 550 | 0.16 | 52 | |||||||||||||||
SWC225DH1 | 225 | 40 | 20 | 15 | 85 | 710 | 196 | 135 | 152 | 120 | 8-17 | 20 | 5 | 32 | 9 | 0.415 | 0.0234 | 95 | 4.9 |
SWC225DH2 | 70 | 640 | 0.397 | 92 | |||||||||||||||
SWC250DH1 | 250 | 63 | 31.5 | 15 | 100 | 795 | 218 | 150 | 168 | 140 | 8-19 | 25 | 6 | 40 | 12.5 | 0.9 | 0.0277 | 148 | 5.3 |
SWC250DH2 | 70 | 735 | 0.885 | 136 | |||||||||||||||
SWC285DH1 | 285 | 90 | 45 | 15 | 120 | 950 | 245 | 170 | 194 | 160 | 8-21 | 27 | 7 | 40 | 15 | 1.876 | 0.051 | 229 | 6.3 |
SWC285DH2 | 80 | 880 | 1.801 | 221 | |||||||||||||||
SWC315DH1 | 315 | 125 | 63 | 15 | 130 | 1070 | 280 | 185 | 219 | 180 | 10-23 | 32 | 8 | 40 | 15 | 3.331 | 0.0795 | 346 | 8 |
SWC315DH2 | 90 | 980 | 3.163 | 334 | |||||||||||||||
SWC350DH1 | 350 | 180 | 90 | 15 | 140 | 1170 | 310 | 210 | 267 | 194 | 10-23 | 35 | 8 | 50 | 16 | 6.215 | 0.2219 | 508 | 15 |
SWC350DH2 | 90 | 1070 | 5.824 | 485 | |||||||||||||||
SWC390DH1 | 390 | 250 | 125 | 15 | 150 | 1300 | 345 | 235 | 267 | 215 | 10-23 | 40 | 8 | 70 | 18 | 11.125 | 0.2219 | 655 | 15 |
SWC390DH2 | 90 | 1200 | 10.763 | 600 | |||||||||||||||
Company Introduction
Cangzhou Tanso Couplings Co., Ltd. specializes in the research and production of expansion coupling sleeve, mechanical drives and mechanical seals. Thanks to our years of experience in research and development of couplings, and favorable conditions and dominant advantages in research and development of high-precision products and mass production, the company can meet customers’ demands.
The company has passed the certification of ISO9001-2000 Quality Management System, and realized CAD computer aided design and information management, integrating research, development and manufacturing.strives to offer products of top quality and preferential prices.

company advantage
Why Choose Us
1.High quality product----Our tenet is “quality first”.Good material,precise
manufacturing processes and strict quality control can create excellent
quality.
2.Competitive price----We have our own factory,scientific producing,
direct-selling.So we can save the cost and supply low price.
3.Professional----- Our professional engineer can answer technical
questions,help you solve technical problems and help you choose the
most suitable product according to your requirment.
4.Delivery fast -----We are near port,and we have professional forwarder.
Goods can be sent out within 3 to 10 working days based on order quantity.
5.Best service-----Answering e-mails or solving questions timely.
Delivery and update information on time.
Our Service
1. The questions about the coupling will be answered within 24 hours.
2. Update the procession of manufacturing.
3. Our professional engineer can answer technical questions,help you solve technical problems and help you choose the most suitable product according to your requirment.
4. Warranty 12 months: Free replacement of defective products within 12 months.
Packaing & Shipping

PACKING | Inner Packing: Carton, Standard export packing or According to customer's requirement Outer packing: wooden cases or According to customer's requirement |
SAMPLE TIME | 5--15 days |
PRODUCTION TIME | 7--35 days or According to customer's requirement |
DELIVERY CLAUSE | FOB Tianjin, CFR, CIF, Express delivery |
PAYMENT CURRENCY | USD |
PAYMENT METHODS | T/T (30% deposit 70%against bl copy) L/C MoneyGram Other payment terms we can negotiate |
FAQ
Q1: Are you trading company or manufacturer ?
A: We are factory.
Q2:Do you provide samples ? is it free or extra ?
A: : Yes, we could offer the sample but not for free.Actually we have a very good price principle, when you make the bulk order then cost of sample will be return to you.
Q3: How long is your delivery time?
A: Generally it is 3-10 days if the goods are in stock. or it is 7-25 days if the goods are not in stock, it is according to quantity.
Q4:How long is your warranty?
A: Our Warranty is 12 month.
Q5 :Do you have inspection procedures for coupling ?
A:100% self-inspection before packing
Q6. What’s your payment?
1) 100% T/T
2) 30% in advance, others before shipment.
3) L/C
Q7:Can I have a visit to your factory before the order?
A: Sure,welcome to visit our factory.
Here is our factory address: Nancang Street, Botou, Hebei Province.
Contact US

Новинки товаров от производителей по оптовым ценам