Низкая цена прицеп Гусенек шасси/посадки ноги/Jack

Сохранить в закладки 60785362618:


Цена:*

Количество:

  • В избранное

Описание и отзывы

Характеристики



Low Price Gooseneck Trailer Chassis Landing Gear/Landing Leg/Feet/Jack


trailer-spare-parts.jpg


Product Description:



1. Dimensions of connection meet TTMA.AAR specification.


2. Lead screw roll forming extra-duty feature, gears are high grade forging steel Lead screw unit applies floating construction, easire for lift and longer persistence,


for use, Static load text. Lift capacity text and drop text accord with ABS specification.


3. Lead screw and unt are entirely obturated in the grease room. Screm will be covered with new grease while it works.


 


 


Poduct specification:


 


 



































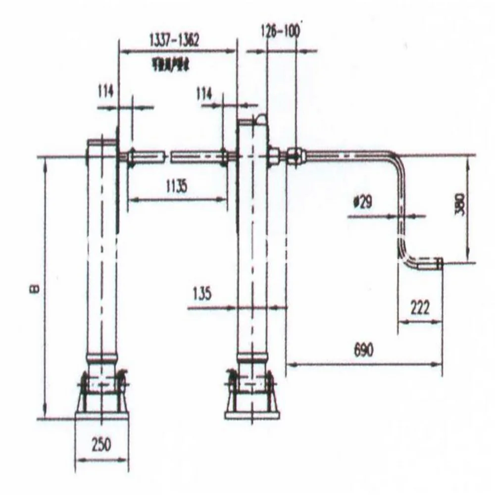
Modelstatic load capacit(T)Rated lifting load(T)high gear(mm)Low gear(mm)Max.route(mm)shut height(mm)weight(kg)
CL25T80254.330.5714" 17" 19"713 789 840713 789 840
CL28T80285.420.7214" 17"19"98100

 


 

























Modelstatic load capacity(T)Rated lifting load(T)high gear(mm)Low gear(mm)Max.route(mm)shut height(mm)weight(kg)
CL28TVF802811.25114" 17" 19"707 783 83497 103 107

 


 

























Modelstatic load capacity(T)Rated lifting load(T)high gear(mm) Low gear(mm)Max.route(mm)shut height(mm)weight(kg)
CL28TAF80285.420.7214" 17" 19"730 806 85798

 


 landing gear24.jpg


 


 


 


Note:


 


Universal application in semi-trailers ;
Shoe Mobile , T , which provides greater absorption of uneven ground ;
Moreover , tilts up to 45 º , absorbing possible moves the implement with air suspension ;
Elongated fixation plate , allowing the application to position the user needs ;
Gears undergo a heat treatment process , increasing the lifespan ;
Spare Parts interchangeable ;
Made of steel , liquid paint finish ;
Static Capacity : 80T
Lifting Capacity : 28T ( 14T each foot )
Two operating speeds : Fast speed : approximation to the ground ; Slow Speed: pickup , providing less effort required .
Lube Point ( greaser )
Weight: 98 Kg
Accompanies spindle union of legs and hook latch handle, traveling in a neutral position ;



 


Landing gear payment & Terms:


 



  • MOQ: 10 Pairs

  • FOB Price: 130 ~ ~ 150

  • Payment Terms: L/C, T/T, Western Union

  • Supply Capacity: 2000 Pairs per Month

  • Delivery Time: About 20 Working Days

  • Delivery Port: Qingdao

  • Package: By Pallet; By Wooden Case; 200 Pairs Landing Gear in 1X20FCL.


Product certificate:


 


certificate_.jpg


 


Details pictures:


 


 


 


 


 QQ20140109172007.jpg


QQ20131230112415.jpg


 


Hot Sale


hot sale.jpg


 


About our company information:


 


Liangshan Changzai Machinery Manufacturing CO., Ltd. is located in Liang Shan County, which is Chinese trailer (special-use vehicle) production base. We have a factory professionally design and manufacture semitrailer parts, including landing gear series, kingpin series, air tanks, suspension systems, air brake chamber series, locks of containers, etc.


 


psbCAKRSIKB  psb


 


 


Похожие товары

Новые поступления

Новинки товаров от производителей по оптовым ценам