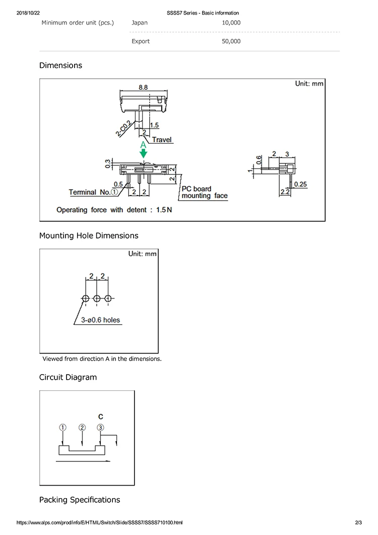
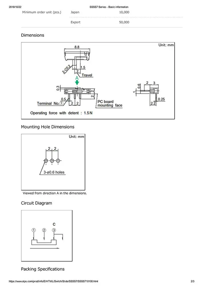
KND-1 серии раздвижные кнопочный переключатель тонкая высокая скорость electrical appliance удобный пуш-ап мини пуш-ап переключатель
0,17 $ - 0,19 $
Сохранить в закладки 60813232144:











Guangzhou Saner Electronics Co., Ltd. was founded in 1996, and we have won a good reputation in the industry with good credit and reliable quality.Has now developed into a well-known domestic electronic components supplier. The company has established good business relations with many famous manufacturers such as Japan, South Korea, Europe and America. The most important thing is that our company has a large number of stocks, which can provide original new international famous brand products in time, and customers all over the world.
Новинки товаров от производителей по оптовым ценам